


| 材質 | 鉄(または標準材)、ステンレス |
|---|---|
| 表面処理 | 生地、三価クロメート、三価ブラック |
| サイズ | M2.6~M5 |
| 規格 | - - - |
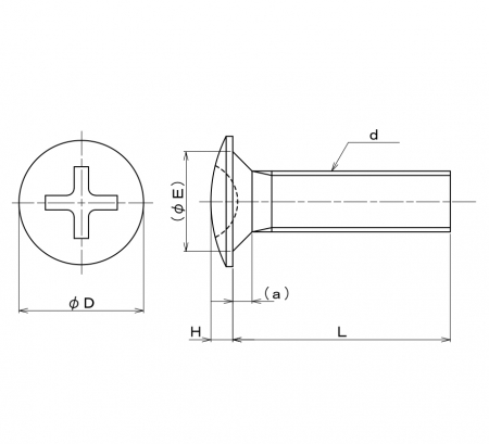
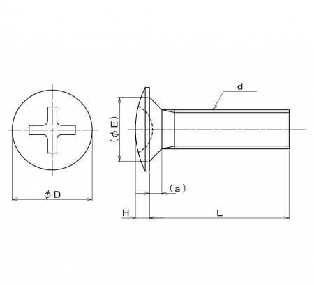
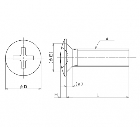
| 特長 | 頭部の高さを極限まで低く薄くし、締付面が極力平面になるようにした小ねじ(ナットや相手材にタップしためねじを利用して締結するメートルねじ)です。十字穴付き薄頭ねじ、超薄平頭小ねじとも呼びます。 頭の高さはM2.6で0.6mm(同径のなべ頭の約35%)、M5でもわずか1.2mm(同約36%)です。頭部が出っ張らず機器のコンパクト化や軽量化に有効、また、引っ掛かりもなく安全性を高めます。広い座面で最大締め付けトルクが向上、緩み止め効果を発揮し、被締結材の割れ・変形を抑えます。ザグリ加工不要なので薄板にも対応。頭を沈める為の追加加工がいらず製造工程の簡略化も図れ、コストダウンにも効果的です。 ※低薄頭のセルフタッピングねじ「ラミメイト タップタイト」は次のリンクからご覧頂けます。 Sタイプ(薄鋼板用 小ねじと互換性あり) Bタイプ(薄鋼板・樹脂用 タッピン2種と同ピッチ) Pタイプ(熱可塑性樹脂用 タッピン2種より荒ピッチ) ※精密0番十字穴の「ラミクス 小ねじ」もございます。 ラミクス・ラミメイトは日東精工の登録商標です。 |
|---|