2月1日よりナイロン化粧ねじ(ナット)の割引キャンペーンを実施します!                                    ★★ ねじコンシェル.comは全品 税込 価格です ★★                                    リクエスト商品も受付中です。お気軽にご相談ください。                                    取扱い商品、ドンドン拡充中です。                                    

商品名/型番検索

ショッピングカート

0点の商品が入っています。

合計 0円(税込)

取り扱い商品一覧

六角穴付

六角穴付ボルト A2-100

材質 SUS304CUN
表面処理 生地
サイズ M3~M16
規格
カタログPDFはこちら
特長 A2-100(引張強度1000N/㎟ 耐力800N/㎟)の強度を誇るステンレス製六角穴付ボルトです。JIS B1054 A2(304系)の化学成分に基づきながら、冷間圧造を可能にして高強度化を図るために、成分調整を行ったステンレス鋼「SUS304CUN(CU:銅N:窒素)」を使用しています。一般規格品A2-70(引張強度700N/㎟ 耐力450N/㎟)と比較しても、同等の耐食性でありながら、より高強度・高耐熱性を実現しました。

一般のボルトを高強度ボルトに置き換えることで、強度を落とすことなくボルトのサイズダウンが可能になり、軽量化や機器そのもののコンパクト化を図ることが出来ます。また高耐食という利点からメンテナンスの省力化を図ることが出来、トータルコストダウンにも有効です。

※時効処理が施されている為、表面は少し白っぽくなります。
※全ねじ/半ねじ区分については上部のPDF資料をご確認ください。
※電蝕を避け高入力に耐えるため、SUS304CUN A2-100 ハイテンションナットハイテンションワッシャーを組み合わせてご使用ください。
※六角穴付ボルト一般品をお探しの方はこちらの製品ページをご覧ください。

・全国一律送料880円(税込)
※ただし一部寸切商品は1,320円(税込)
・11,000円(税込)以上で送料無料!
※返品について
お客様都合での返品は承りかねます。
返品に関してはこちらよりご確認ください。

・本サイトでの最低取引価格は「税込550円~」となります。
なお、「税込550円未満のご注文」に関しては、
「税込550円」として処理させていただきます。
・問合せ商品は、後日当社からご連絡します。
・小数点以下切り上げです。
※箱単価=1本当たりの価格です。

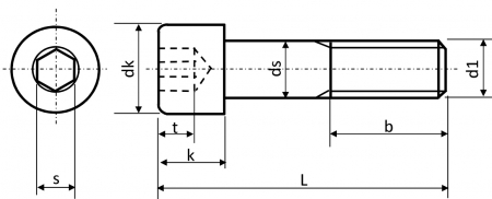
サイズ 材質 表面処理 P d1 MAX. d2 (基準) k MAX. s (呼び) t MIN. - 箱単価 入数 ばら
売り
ばら
単価
税抜
価格
発送目安 数量
(個)
価格
M6×30 SUS304CUN 生地 1 6 10 6 5 3 80.85 200 161.70 1営業日 0
M6×35 SUS304CUN 生地 1 6 10 6 5 3 95.70 200 191.40 1営業日 0
M6×40 SUS304CUN 生地 1 6 10 6 5 3 110.22 200 220.44 1営業日 0
M6×45 SUS304CUN 生地 1 6 10 6 5 3 117.15 200 234.30 1営業日 0
M6×50 SUS304CUN 生地 1 6 10 6 5 3 128.70 200 257.40 1営業日 0
M8×15 SUS304CUN 生地 1.25 8 13 8 6 4 116.16 100 232.32 1営業日 0
M8×16 SUS304CUN 生地 1.25 8 13 8 6 4 118.80 100 237.60 1営業日 0
M8×20 SUS304CUN 生地 1.25 8 13 8 6 4 128.70 100 257.40 1営業日 0
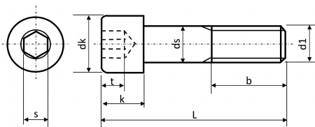
サイズ 材質 表面処理 P d1 MAX. d2 (基準) k MAX. s (呼び) t MIN. - 箱単価 入数 ばら
売り
ばら
単価
税抜
価格
発送目安 数量
(個)
価格
M8×25 SUS304CUN 生地 1.25 8 13 8 6 4 142.56 100 285.12 1営業日 0
M8×30 SUS304CUN 生地 1.25 8 13 8 6 4 160.05 100 320.10 1営業日 0
M8×35 SUS304CUN 生地 1.25 8 13 8 6 4 183.15 100 366.30 1営業日 0
M8×40 SUS304CUN 生地 1.25 8 13 8 6 4 203.61 100 407.22 1営業日 0
M8×45 SUS304CUN 生地 1.25 8 13 8 6 4 222.09 100 444.18 1営業日 0
M8×50 SUS304CUN 生地 1.25 8 13 8 6 4 241.56 100 483.12 1営業日 0
M8×55 SUS304CUN 生地 1.25 8 13 8 6 4 263.01 100 526.02 1営業日 0
M8×60 SUS304CUN 生地 1.25 8 13 8 6 4 283.47 100 566.94 1営業日 0
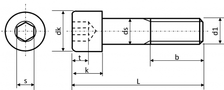
サイズ 材質 表面処理 P d1 MAX. d2 (基準) k MAX. s (呼び) t MIN. - 箱単価 入数 ばら
売り
ばら
単価
税抜
価格
発送目安 数量
(個)
価格
M8×65 SUS304CUN 生地 1.25 8 13 8 6 4 298.65 50 597.30 1営業日 0
M8×70 SUS304CUN 生地 1.25 8 13 8 6 4 319.77 50 639.54 1営業日 0
M8×75 SUS304CUN 生地 1.25 8 13 8 6 4 339.90 50 679.80 1営業日 0
M8×80 SUS304CUN 生地 1.25 8 13 8 6 4 363.00 50 726.00 1営業日 0
M10×15 SUS304CUN 生地 1.5 10 16 10 8 5 204.27 100 408.54 1営業日 0
M10×16 SUS304CUN 生地 1.5 10 16 10 8 5 209.22 100 418.44 1営業日 0
M10×20 SUS304CUN 生地 1.5 10 16 10 8 5 221.10 100 442.20 1営業日 0
M10×25 SUS304CUN 生地 1.5 10 16 10 8 5 245.19 100 490.38 1営業日 0

この商品を購入した方におすすめ

・全国一律送料880円(税込)
※ただし一部寸切商品は1,320円(税込)
・11,000円(税込)以上で送料無料!
※返品について
商品到着後、5日以内に着払いでご返品ください。

・本サイトでの最低取引価格は「税込550円~」となります。
なお、「税込550円未満のご注文」に関しては、
「税込550円」として処理させていただきます。
・お問合せ商品は、後日当社からご連絡します。
・小数点以下切り上げです。
※箱単価=1本当たりの価格です。

▲ページのトップに戻る