


| 材質 | SUS304CUN |
|---|---|
| 表面処理 | 生地 |
| サイズ | M8~M20 |
| 規格 | - - - |
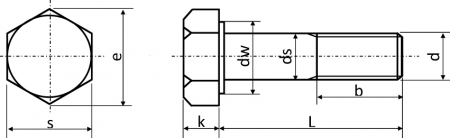
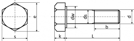
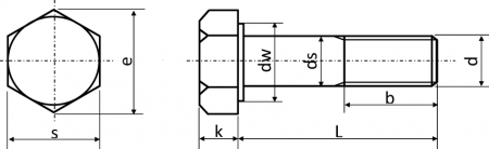
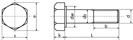
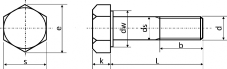
| 特長 | 軸部分の先端から途中までねじが切られている半ねじタイプの六角ボルトです。 ステンレスが錆や腐食に対して強いのは含有しているクロム(Cr)が鉄(Fe)より先に酸素と結びつき、“不動態皮膜”と呼ばれる自己再生する極薄い保護酸化皮膜を表層に形成するからです。こちらの商品は冷間圧造を可能にして高強度を達成するオーステナイト系ステンレス「SUS304CUN®(CU:銅N:窒素)」を使用。引張強度1000N/㎟ 耐力800N/㎟でSCM435並の高強度を誇ります。A2-70(引張強度700N/㎟ 耐力450N/㎟)と比較してもサイズダウンが可能。また耐熱性、耐食性も向上し運用コストの削減に貢献します。機械、輸送機、バルブ等での締結部分の軽量化・長寿命化に最適です。 全ねじタイプはこちらから。 ※電蝕を避け高入力に耐えるためA2-100 ハイテンションナット、HV300 ハイテンションワッシャーと組み合わせてご使用ください。 ※頭部は新JIS規格(本体規格)に基づいている為、座付頭部(ワッシャーフェイス付)になります。 また六角対辺はM10(16)・M12(18)です。 ※時効処理が施されている為、表面は少し白っぽくなります。 |
|---|