


| 材質 | SCM、ステンレス |
|---|---|
| 表面処理 | 生地、生地(黒色)、ユニクロ、三価クロメート |
| サイズ | M10(P1.25)~M12(P1.25) |
| 規格 | - - - |
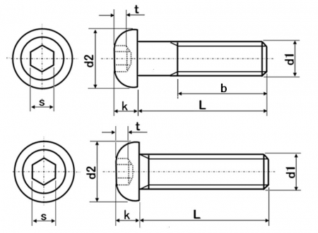
| 特長 | 六角穴付ボタンボルト細目は並目(一般品)に対してねじピッチが短くなっており、「ピッチが細かい・リード角(螺旋傾斜角度)が小さい・ねじ谷が浅い分だけ断面積が大きい」といった特徴があります。そのため「振動などの緩みに強い・締付けの微調整が可能・薄板など嵌合部が短い締結に有利・締付トルクが小さい」等のメリットがあります。六角穴付きボタンボルトは機械や車両等の一般的な締結に広く使用されていますが、細目タイプは上記のような特性から、振動による緩みが懸念される箇所などに特に多用されています。頭部形状はトラス小ねじやなべ小ねじなどの十字穴付きねじと似ていますが、リセス形状がなめやすい十字穴ではなく六角穴なので、高負荷・高トルクでの締付が可能です。さらに”締付後の頭部に引っかかりにくく出っ張りが気にならない” ”見た目が美しい”といったメリットもあります。 六角穴付ボタンボルトにはJIS規格のほか、SSS規格(主に頭部形状が異なります)も定められており、メーカーによって採用する規格が異なります。更に、全ねじ/半ねじの境界やねじ長なども採用規格・材質等により異なる場合がございます。特に既存のボルトと交換される場合などは、購入前に確認される事をお薦めします。 ※ねじコンシェル.comでは原則としてJIS規格品を取り扱っておりますが、サイズなどによりSSS規格または他の規格となる場合もあります。 ※頭部の六角穴は同じ呼び径の六角穴付ボルトより小さいので締結に使用する六角レンチは規格を確認することをお薦めします。 |
|---|