

| 材質 | 鉄(または標準材)、ステンレス、SUS430 | 
|---|---|
| 表面処理 | 生地、三価クロメート | 
| サイズ | M2.5~M24 | 
| 規格 | - - - | 
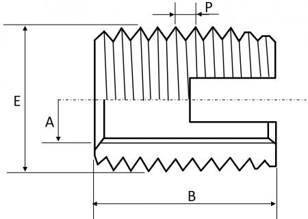
| 特長 | 自力切削式インサート“エンザート(ensat)”の中で最も汎用性のある割溝タイプです。割溝タイプは切り刃が長く相手材へ喰い付きが良い為、快削性のある鋳鉄、快削性のあるアルミ合金、可塑性の高い樹脂、硬質木材・MDF等へ幅広く使用できます。コイル型インサートナットとは異なり、自身の刃で相手材を切るセルフタップ機能があるので下穴加工のみで前タップが必要なく作業性に優れています。 母材に挿入してめねじを形成し樹脂やアルミ等の機械的強度の低い部材のねじ部を補強する為に使用します。内ねじに加わる軸力は一回り大きい外ねじ部の母材が支えるので、直タップのねじ締結より高い力に耐えることが出来ます。また、セルフロック機能を持つためネジ部の着脱による緩みに強くなり、耐摩耗性や高い引き抜き強さを得ることもできます。相手材によりタイプを使い分けることで様々な用途に用いることが出来ますが、 ※黄銅製は樹脂や木材用となります。 ※強度のアルミ合金やFRPには三つ穴タイプが適します。 省スペースの小外径割溝タイプ(303)もあります。 ※クロメート(画像)は廃番となりました | 
|---|