1月1日よりハードロックナットの割引キャンペーンを実施します!                                    ★★ ねじコンシェル.comは全品 税込 価格です ★★                                    リクエスト商品も受付中です。お気軽にご相談ください。                                    取扱い商品、ドンドン拡充中です。                                    

商品名/型番検索

ショッピングカート

0点の商品が入っています。

合計 0円(税込)

取り扱い商品一覧

ブラインドナット

KRSブラインドナット(平頭)

材質 鉄(または標準材)、ステンレス、アルミ
表面処理 生地、三価クロメート
サイズ DA315~DS1260
規格 -
-
-
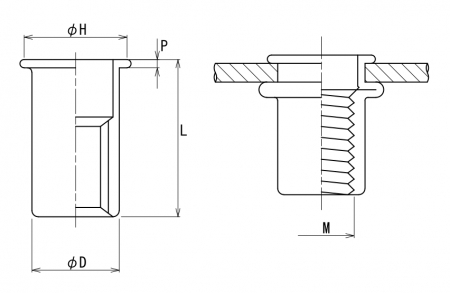
特長 ナットとリベットの長所を併せ持ったブラインドナットで、薄板やパイプなどタップ加工が困難な箇所、また溶接ができない材質や表面処理を母材とする際に使用します。
母材の片側からスピーディーに雌ねじを成形する事ができるので、作業の効率化やコストダウンなどが図れます。

・全国一律送料880円(税込)
※ただし一部寸切商品は1,320円(税込)
・11,000円(税込)以上で送料無料!
※返品について
お客様都合での返品は承りかねます。
返品に関してはこちらよりご確認ください。

・本サイトでの最低取引価格は「税込550円~」となります。
なお、「税込550円未満のご注文」に関しては、
「税込550円」として処理させていただきます。
・問合せ商品は、後日当社からご連絡します。
・小数点以下切り上げです。
※箱単価=1本当たりの価格です。

サイズ 材質 表面処理 ねじ寸法(M) 締付可能板厚 t(mm) 下穴径 (φ) L D H P 箱単価 入数 ばら
売り
ばら
単価
税抜
価格
発送目安 数量
(個)
価格
DSS1040 ステンレス 生地 M10xP1.5 2.5-4.0 13.1 18.5 13.0 16.3 1.5 238.15 221 476.30 1営業日 0
DA315 アルミ 生地 M3xP0.5 0.5-1.5 5.1 8.8 5.0 8.0 0.8 22.55 1000 × - 1営業日 0
DA325 アルミ 生地 M3xP0.5 1.5-2.5 5.1 9.8 5.0 8.0 0.8 23.31 1000 × - 1営業日 0
DA415 アルミ 生地 M4xP0.7 0.5-1.5 6.1 10.3 6.0 9.3 0.8 16.75 1000 × - 1営業日 0
DA425 アルミ 生地 M4xP0.7 1.5-2.5 6.1 11.3 6.0 9.3 0.8 17.07 1000 × - 1営業日 0
DA435 アルミ 生地 M4xP0.7 2.5-3.5 6.1 12.3 6.0 9.3 0.8 16.46 1000 × - 1営業日 0
DA515 アルミ 生地 M5xP0.8 0.5-1.5 7.1 11.5 7.0 10.3 1.0 17.25 1000 × - 1営業日 0
DA525 アルミ 生地 M5xP0.8 1.5-2.5 7.1 12.5 7.0 10.3 1.0 18.78 1000 × - 1営業日 0
サイズ 材質 表面処理 ねじ寸法(M) 締付可能板厚 t(mm) 下穴径 (φ) L D H P 箱単価 入数 ばら
売り
ばら
単価
税抜
価格
発送目安 数量
(個)
価格
DA535 アルミ 生地 M5xP0.8 2.5-3.5 7.1 13.5 7.0 10.3 1.0 22.55 1000 × - 1営業日 0
DA625 アルミ 生地 M6xP1.0 1.0-2.5 9.1 15 9.0 12.3 1.5 25.99 1000 × - 1営業日 0
DA825 アルミ 生地 M8xP1.25 1.0-2.5 11.1 16.5 11.0 14.3 1.5 34.18 1000 × - 1営業日 0
DA840 アルミ 生地 M8xP1.25 2.5-4.0 11.1 18 11.0 14.3 1.5 37.42 500 × - 1営業日 0
DA1025 アルミ 生地 M10xP1.5 1.0-2.5 13.1 17 13.0 16.3 1.5 44.43 500 × - 1営業日 0
DA1040 アルミ 生地 M10xP1.5 2.5-4.0 13.1 18.5 13.0 16.3 1.5 45.48 500 × - 1営業日 0

・全国一律送料880円(税込)
※ただし一部寸切商品は1,320円(税込)
・11,000円(税込)以上で送料無料!
※返品について
商品到着後、5日以内に着払いでご返品ください。

・本サイトでの最低取引価格は「税込550円~」となります。
なお、「税込550円未満のご注文」に関しては、
「税込550円」として処理させていただきます。
・お問合せ商品は、後日当社からご連絡します。
・小数点以下切り上げです。
※箱単価=1本当たりの価格です。

▲ページのトップに戻る