3月1日より高強度ステンレスシリーズの割引キャンペーンを実施します!                                    ★★ ねじコンシェル.comは全品 税込 価格です ★★                                    リクエスト商品も受付中です。お気軽にご相談ください。                                    取扱い商品、ドンドン拡充中です。                                    

商品名/型番検索

ショッピングカート

0点の商品が入っています。

合計 0円(税込)

取り扱い商品一覧

小ねじ・マイクロねじ

(+)丸皿小ねじ

材質 鉄(または標準材)、ステンレス、黄銅(真鍮)
表面処理 生地、ユニクロ、三価クロメート、三価ブラック、ニッケル
サイズ M2~M8
規格 ISO7047
JIS B 1111
-
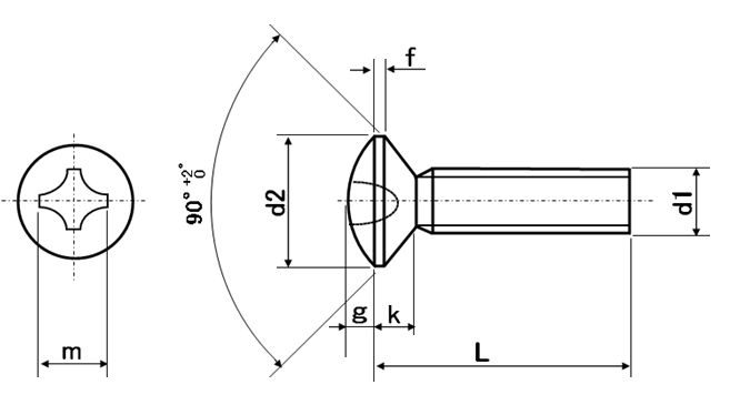
特長 頭部上面が穏やかに丸みを帯びて凸型をしており、皿小ねじ同様座面は円錐形(90°テーパー)です。使用にはザグリ加工(「皿もみ」とも呼ばれる)が必要です。ドアやサッシ、手すり、コンセントプレートなど目に留まったり、手や物が触れたりする箇所で利用されています。十字穴付き丸皿小ねじ、丸サラ小ねじ、丸サラ、オーバルヘッドねじなどの名称があります。
皿頭は相手材と面一になりますが、表面の駆動溝(リセス)に衣服や部材が引っ掛かることがあります。丸皿小ねじの滑らかな丸みを帯びた頭部は、引っ掛かりを防ぎ物や人に優しく安全です。また、優しい印象を与える外観をデザイン的な要素で選ばれることもあります。ローゼットワッシャーとの組み合わせは、ザグリ加工の必要が無く外観も美しく仕上がるので、化粧ネジとして利用されています。
ねじの「長さ」は頭部のテーパー基部(丸い凸部は除く)からねじ部先端までです。一般的なねじ・ボルトが首下からねじ部先端までを「長さ」とするのと異なりますのでご注意下さい。

・全国一律送料880円(税込)
※ただし一部寸切商品は1,320円(税込)
・11,000円(税込)以上で送料無料!
※返品について
お客様都合での返品は承りかねます。
返品に関してはこちらよりご確認ください。

・本サイトでの最低取引価格は「税込550円~」となります。
なお、「税込550円未満のご注文」に関しては、
「税込550円」として処理させていただきます。
・問合せ商品は、後日当社からご連絡します。
・小数点以下切り上げです。
※箱単価=1本当たりの価格です。

サイズ 材質 表面処理 P(ピッチ) d2 k f g m 十字穴の番号 箱単価 入数 ばら
売り
ばら
単価
税抜
価格
発送目安 数量
(個)
価格
M5×15 黄銅(真鍮) 生地 0.8 10 2.8 0.3 1.2 5.1 2 16.93 900 × - 1営業日 0
M5×20 黄銅(真鍮) 生地 0.8 10 2.8 0.3 1.2 5.1 2 20.32 500 × - 1営業日 0
M5×25 黄銅(真鍮) 生地 0.8 10 2.8 0.3 1.2 5.1 2 23.92 500 × - 1営業日 0
M5×30 黄銅(真鍮) 生地 0.8 10 2.8 0.3 1.2 5.1 2 27.26 400 × - 1営業日 0
M5×35 黄銅(真鍮) 生地 0.8 10 2.8 0.3 1.2 5.1 2 32.87 350 × - 1営業日 0
M5×45 黄銅(真鍮) 生地 0.8 10 2.8 0.3 1.2 5.1 2 41.23 250 × - 1営業日 0
M5×50 黄銅(真鍮) 生地 0.8 10 2.8 0.3 1.2 5.1 2 42.61 200 × - 1営業日 0
M5×70 黄銅(真鍮) 生地 0.8 10 2.8 0.3 1.2 5.1 2 91.79 200 × - 1営業日 0
サイズ 材質 表面処理 P(ピッチ) d2 k f g m 十字穴の番号 箱単価 入数 ばら
売り
ばら
単価
税抜
価格
発送目安 数量
(個)
価格
M5×90 黄銅(真鍮) 生地 0.8 10 2.8 0.3 1.2 5.1 2 162.80 150 × - 1営業日 0
M6×10 黄銅(真鍮) 生地 1.0 12 3.4 0.4 1.4 6.7 3 35.42 700 × - 1営業日 0
M6×12 黄銅(真鍮) 生地 1.0 12 3.4 0.4 1.4 6.7 3 23.89 700 × - 1営業日 0
M6×15 黄銅(真鍮) 生地 1.0 12 3.4 0.4 1.4 6.7 3 26.75 600 × - 1営業日 0
M6×16 黄銅(真鍮) 生地 1.0 12 3.4 0.4 1.4 6.7 3 27.55 600 × - 1営業日 0
M6×20 黄銅(真鍮) 生地 1.0 12 3.4 0.4 1.4 6.7 3 30.32 450 × - 問合せ 0
M6×25 黄銅(真鍮) 生地 1.0 12 3.4 0.4 1.4 6.7 3 36.10 350 × - 1営業日 0
M6×30 黄銅(真鍮) 生地 1.0 12 3.4 0.4 1.4 6.7 3 40.64 300 × - 問合せ 0
サイズ 材質 表面処理 P(ピッチ) d2 k f g m 十字穴の番号 箱単価 入数 ばら
売り
ばら
単価
税抜
価格
発送目安 数量
(個)
価格
M6×40 黄銅(真鍮) 生地 1.0 12 3.4 0.4 1.4 6.7 3 58.67 200 × - 問合せ 0
M6×45 黄銅(真鍮) 生地 1.0 12 3.4 0.4 1.4 6.7 3 60.97 200 × - 問合せ 0
M6×50 黄銅(真鍮) 生地 1.0 12 3.4 0.4 1.4 6.7 3 67.15 150 × - 1営業日 0
M8×16 黄銅(真鍮) 生地 1.25 16 4.4 0.4 1.8 8.4 3 73.92 300 × - 1営業日 0
M8×20 黄銅(真鍮) 生地 1.25 16 4.4 0.4 1.8 8.4 3 81.93 200 × - 1営業日 0
M8×25 黄銅(真鍮) 生地 1.25 16 4.4 0.4 1.8 8.4 3 102.26 200 × - 1営業日 0
M8×30 黄銅(真鍮) 生地 1.25 16 4.4 0.4 1.8 8.4 3 103.49 150 × - 1営業日 0
M8×35 黄銅(真鍮) 生地 1.25 16 4.4 0.4 1.8 8.4 3 118.80 100 × - 問合せ 0

この商品を購入した方におすすめ

・全国一律送料880円(税込)
※ただし一部寸切商品は1,320円(税込)
・11,000円(税込)以上で送料無料!
※返品について
商品到着後、5日以内に着払いでご返品ください。

・本サイトでの最低取引価格は「税込550円~」となります。
なお、「税込550円未満のご注文」に関しては、
「税込550円」として処理させていただきます。
・お問合せ商品は、後日当社からご連絡します。
・小数点以下切り上げです。
※箱単価=1本当たりの価格です。

▲ページのトップに戻る