3月1日より高強度ステンレスシリーズの割引キャンペーンを実施します!                                    ★★ ねじコンシェル.comは全品 税込 価格です ★★                                    リクエスト商品も受付中です。お気軽にご相談ください。                                    取扱い商品、ドンドン拡充中です。                                    

商品名/型番検索

ショッピングカート

0点の商品が入っています。

合計 0円(税込)

取り扱い商品一覧

六角穴付

六角穴付ボルト 全ねじ

材質 SCM、ステンレス、アロイ(ハステロイ)276、アロイ(インコネル)600
表面処理 生地、生地(黒色)、ユニクロ、三価クロメート、三価ブラック
サイズ M3~M36
規格 ISO4762
JIS B 1176
DIN912
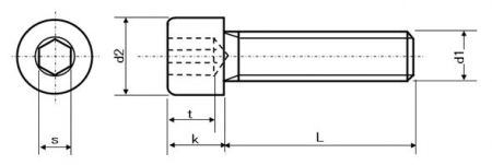
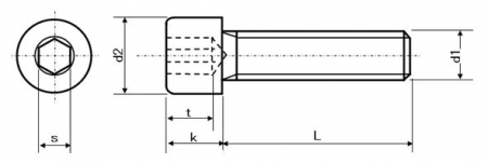
特長 六角穴付ボルトは首下の短いサイズは全ねじ(首元までねじが切られている)ですが、首下が一定の長さより長くなると半ねじ(途中までねじが切られている)に切り替わります。この長さはねじの呼び径により規格で定められています。"六角穴付ボルト 全ねじ"は、規格上では半ねじになる首下長さのボルトの首元までねじが切られたものです。全ねじキャップとも呼ばれます。
六角穴付ボルトはキャップスクリュー・キャップボルトとも呼ばれ、機械や車両等の一般的な締結に広く使用されています。軸の中心に六角レンチを差し込み六角形のすべての辺を利用して締結するので、カムアウトしにくく安定した締め付けができ、高負荷・高トルクでの締付が可能というメリットがあります。
六角ボルトに比べると頭部が小さく省スペースになる上、締結スペースも少なくて済みます。その為、近接する場所で複数箇所締結しなければならない場合でも隣のボルトとの干渉を気にする必要が無く、作業性が向上します。また、狭いスペースでコンパクトに締結できる事から、機器そのものの更なる小型化も図れます。

※六角穴付ボルト一般の締結工具(六角レンチ)のサイズ相関関係はこちらのPDF資料をご参照ください。
※お得で高品質な弊社オリジナルブランドボサード品もご利用ください。

・全国一律送料880円(税込)
※ただし一部寸切商品は1,320円(税込)
・11,000円(税込)以上で送料無料!
※返品について
お客様都合での返品は承りかねます。
返品に関してはこちらよりご確認ください。

・本サイトでの最低取引価格は「税込550円~」となります。
なお、「税込550円未満のご注文」に関しては、
「税込550円」として処理させていただきます。
・問合せ商品は、後日当社からご連絡します。
・小数点以下切り上げです。
※箱単価=1本当たりの価格です。

サイズ 材質 表面処理 ピッチ d2 k s t - - 箱単価 入数 ばら
売り
ばら
単価
税抜
価格
発送目安 数量
(個)
価格
M5×25 アロイ(ハステロイ)276 生地 0.8 8.5 5 4 2.5 1,866 1 - - 1営業日 0
M5×30 アロイ(ハステロイ)276 生地 0.8 8.5 5 4 2.5 2,097 1 - - 1営業日 0
M5×35 アロイ(ハステロイ)276 生地 0.8 8.5 5 4 2.5 2,329 1 - - 1営業日 0
M6×10 アロイ(ハステロイ)276 生地 1 10 6 5 3 1,631 1 - - 1営業日 0
M6×12 アロイ(ハステロイ)276 生地 1 10 6 5 3 1,787 1 - - 1営業日 0
M6×15 アロイ(ハステロイ)276 生地 1 10 6 5 3 1,947 1 - - 1営業日 0
M6×20 アロイ(ハステロイ)276 生地 1 10 6 5 3 2,097 1 - - 1営業日 0
M6×25 アロイ(ハステロイ)276 生地 1 10 6 5 3 2,252 1 - - 1営業日 0
サイズ 材質 表面処理 ピッチ d2 k s t - - 箱単価 入数 ばら
売り
ばら
単価
税抜
価格
発送目安 数量
(個)
価格
M6×30 アロイ(ハステロイ)276 生地 1 10 6 5 3 2,411 1 - - 1営業日 0
M6×35 アロイ(ハステロイ)276 生地 1 10 6 5 3 2,566 1 - - 1営業日 0
M6×40 アロイ(ハステロイ)276 生地 1 10 6 5 3 2,715 1 - - 1営業日 0
M8×10 アロイ(ハステロイ)276 生地 1.25 13 8 6 4 2,541 1 - - 1営業日 0
M8×12 アロイ(ハステロイ)276 生地 1.25 13 8 6 4 2,764 1 - - 1営業日 0
M8×15 アロイ(ハステロイ)276 生地 1.25 13 8 6 4 2,976 1 - - 1営業日 0
M8×20 アロイ(ハステロイ)276 生地 1.25 13 8 6 4 3,198 1 - - 1営業日 0
M8×25 アロイ(ハステロイ)276 生地 1.25 13 8 6 4 3,418 1 - - 1営業日 0
サイズ 材質 表面処理 ピッチ d2 k s t - - 箱単価 入数 ばら
売り
ばら
単価
税抜
価格
発送目安 数量
(個)
価格
M8×30 アロイ(ハステロイ)276 生地 1.25 13 8 6 4 3,633 1 - - 1営業日 0
M8×35 アロイ(ハステロイ)276 生地 1.25 13 8 6 4 3,858 1 - - 1営業日 0
M8×40 アロイ(ハステロイ)276 生地 1.25 13 8 6 4 4,069 1 - - 1営業日 0
M10×20 アロイ(ハステロイ)276 生地 1.5 16 10 8 5 3,053 1 - - 1営業日 0
M10×25 アロイ(ハステロイ)276 生地 1.5 16 10 8 5 3,347 1 - - 1営業日 0
M10×30 アロイ(ハステロイ)276 生地 1.5 16 10 8 5 3,633 1 - - 1営業日 0
M10×35 アロイ(ハステロイ)276 生地 1.5 16 10 8 5 3,930 1 - - 1営業日 0
M10×40 アロイ(ハステロイ)276 生地 1.5 16 10 8 5 4,215 1 - - 1営業日 0

この商品を購入した方におすすめ

・全国一律送料880円(税込)
※ただし一部寸切商品は1,320円(税込)
・11,000円(税込)以上で送料無料!
※返品について
商品到着後、5日以内に着払いでご返品ください。

・本サイトでの最低取引価格は「税込550円~」となります。
なお、「税込550円未満のご注文」に関しては、
「税込550円」として処理させていただきます。
・お問合せ商品は、後日当社からご連絡します。
・小数点以下切り上げです。
※箱単価=1本当たりの価格です。

▲ページのトップに戻る