

| 材質 | 鉄(または標準材)、ステンレス |
|---|---|
| 表面処理 | 生地、三価クロメート、三価ブラック、ニッケル |
| サイズ | M1.4~M2.6 |
| 規格 | - - - |
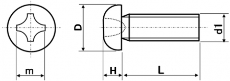
| 特長 | なべ小ねじ0番は日本写真機工業規格(JCIS)「精密機器用十字穴付き小ねじ」が元となっているねじです。マイクロねじの他、精密ねじ、カメラネジ、眼鏡ビス、などの名称があります。その名の通りデジカメやメガネ、またPCやスマホなど小型精密機器や電子機器で使われています。 「0番」は十字穴リセスが#0の+ドライバーで廻すJIS規格「#0(ゼロ番)」であることを意味しています。また「2種」は頭部の大きさを表しています。なべ小ねじ0番には1種・2種・3種があり、同一の呼び径に対して順に大きくなります。最も小さい1種はJISなべ頭と比較して頭部の高さがおよそ50%、頭部外径も一回り小さくなります。3種は頭部高がおよそ30%低くなり頭部外径はなべ頭と同じです。2種は頭部高さが1種と同じ、頭部径は3種と同じです。ねじ山のピッチはメートル並目です。必要に応じ同じ呼び径のナット、ワッシャーと組み合わせます。 ねじコンシェルではなべ小ねじ以外にも、皿頭、ラミクス®、タッピンなどの0番小ねじをご購入いただけます。 |
|---|