2月1日よりナイロン化粧ねじ(ナット)の割引キャンペーンを実施します!                                    ★★ ねじコンシェル.comは全品 税込 価格です ★★                                    リクエスト商品も受付中です。お気軽にご相談ください。                                    取扱い商品、ドンドン拡充中です。                                    

商品名/型番検索

ショッピングカート

0点の商品が入っています。

合計 0円(税込)

取り扱い商品一覧

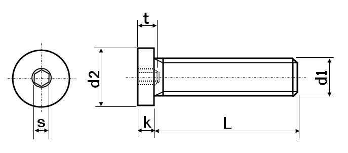
低頭・小頭、六角穴付、

極低頭キャップ

材質 10.9、ステンレス、チタン
表面処理 生地、生地(黒色)、三価クロメート、無電解ニッケル
サイズ M2~M12
規格 -
-
-
カタログPDFはこちら
特長 スペシャルローヘッドキャップ・六角穴付極低頭ボルトとも呼ばれます。安全性やデザイン性を考えてボルト頭部を露出させたくないが相手材が薄くザグリ加工ができない、そんな問題を解決するために開発されました。
頭部が非常に薄い極低頭型(M4〜M10は頭部高さ1.5ミリにて統一、M12のみ1.6mm)なので出っ張りがほとんど気になりません。ザグリ加工の手間なく使用できる手軽さだけでなく、デザイン的要素も備えており外観を損ないません。もともと安全ボルトとして開発されたキャップボルトには頭部に角がありませんが、更に極低頭型は締結後に突出部がほぼ無くなり安全性が高まるので、車椅子や電動式介護ベッド等の福祉機器にも多く採用されています。頭部厚が薄い分、小型軽量で(M6×16の場合一般的なキャップボルトに比べて40%軽量)、機器の小型化や重量低減に効果的です。十分な厚みのある相手材に対しても最小の加工で済むため、工程削減にも有効です。
チタン2種(純チタン)製はステンレスとほぼ同じ強度で約40%軽量、かつ耐食性に優れていますので、医療分野などでも用いられています。またロボットやドローンなどの分野においても活躍が期待されています。
頭部径をさらに小さくした極低頭小頭キャップもございます。
通常のキャップボルトと比較して頭部が薄い分、強度は劣ります。また同径のキャップボルトと比較してリセスが小さくなっているため、過度なトルクをかける舐める可能性があります。付けはずしがあるような場合は締め付けトルクの管理にご注意ください。

商品パンフレットはこちら



適正締め付けトルクについてはこちらでご確認ください。

※ステンレス製について、頭部へ切削加工を行っておりましたが、順次切削工程をなくした形状へ変更となります。
※M2・M2.5の六角穴サイズ(s)は“1.27”へ変更になっております。

※チタンは純チタン・2種(TW340)となります。
※材質欄の10.9は引張強度表記となり、材質自体はSCM435となります。
※引張強度10.9は胴体部となり、首下付近は5.8程度となります。

・全国一律送料880円(税込)
※ただし一部寸切商品は1,320円(税込)
・11,000円(税込)以上で送料無料!
※返品について
お客様都合での返品は承りかねます。
返品に関してはこちらよりご確認ください。

・本サイトでの最低取引価格は「税込550円~」となります。
なお、「税込550円未満のご注文」に関しては、
「税込550円」として処理させていただきます。
・問合せ商品は、後日当社からご連絡します。
・小数点以下切り上げです。
※箱単価=1本当たりの価格です。

サイズ 材質 表面処理 P (ピッチ) d2 (Max.) k (Max.) s (基準) t (Max.) - - 箱単価 入数 ばら
売り
ばら
単価
税抜
価格
発送目安 数量
(個)
価格
M6×6 10.9 無電解ニッケル 1.0 10 1.5 3 4.0 99.44 500 198.88 即納可能 0
M6×8 10.9 無電解ニッケル 1.0 10 1.5 3 4.0 76.89 500 153.78 即納可能 0
M6×10 10.9 無電解ニッケル 1.0 10 1.5 3 4.0 76.89 500 153.78 即納可能 0
M6×12 10.9 無電解ニッケル 1.0 10 1.5 3 4.0 76.78 500 153.56 即納可能 0
M6×16 10.9 無電解ニッケル 1.0 10 1.5 3 4.0 80.52 400 161.04 即納可能 0
M6×20 10.9 無電解ニッケル 1.0 10 1.5 3 4.0 84.26 400 168.52 即納可能 0
M6×25 10.9 無電解ニッケル 1.0 10 1.5 3 4.0 91.19 400 182.38 即納可能 0
M6×30 10.9 無電解ニッケル 1.0 10 1.5 3 4.0 96.91 200 193.82 即納可能 0
サイズ 材質 表面処理 P (ピッチ) d2 (Max.) k (Max.) s (基準) t (Max.) - - 箱単価 入数 ばら
売り
ばら
単価
税抜
価格
発送目安 数量
(個)
価格
M6×35 10.9 無電解ニッケル 1.0 10 1.5 3 4.0 154.00 200 308.00 即納可能 0
M6×40 10.9 無電解ニッケル 1.0 10 1.5 3 4.0 154.00 200 308.00 即納可能 0
M6×45 10.9 無電解ニッケル 1.0 10 1.5 3 4.0 159.50 200 319.00 即納可能 0
M6×50 10.9 無電解ニッケル 1.0 10 1.5 3 4.0 173.25 100 346.50 即納可能 0
M8×6 10.9 無電解ニッケル 1.25 13 1.5 4 5.0 198.00 200 396.00 即納可能 0
M8×8 10.9 無電解ニッケル 1.25 13 1.5 4 5.0 182.82 200 365.64 即納可能 0
M8×10 10.9 無電解ニッケル 1.25 13 1.5 4 5.0 182.82 200 365.64 即納可能 0
M8×12 10.9 無電解ニッケル 1.25 13 1.5 4 5.0 129.91 200 259.82 即納可能 0
サイズ 材質 表面処理 P (ピッチ) d2 (Max.) k (Max.) s (基準) t (Max.) - - 箱単価 入数 ばら
売り
ばら
単価
税抜
価格
発送目安 数量
(個)
価格
M8×16 10.9 無電解ニッケル 1.25 13 1.5 4 5.0 132.33 200 264.66 即納可能 0
M8×20 10.9 無電解ニッケル 1.25 13 1.5 4 5.0 133.54 200 267.08 即納可能 0
M8×25 10.9 無電解ニッケル 1.25 13 1.5 4 5.0 134.75 200 269.50 即納可能 0
M8×30 10.9 無電解ニッケル 1.25 13 1.5 4 5.0 149.05 200 298.10 即納可能 0
M8×40 10.9 無電解ニッケル 1.25 13 1.5 4 5.0 187.00 100 374.00 即納可能 0
M8×45 10.9 無電解ニッケル 1.25 13 1.5 4 5.0 198.00 100 396.00 即納可能 0
M8×50 10.9 無電解ニッケル 1.25 13 1.5 4 5.0 217.25 100 434.50 即納可能 0
M10×10 10.9 無電解ニッケル 1.5 16 1.5 5 6.0 218.68 100 437.36 即納可能 0

この商品を購入した方におすすめ

・全国一律送料880円(税込)
※ただし一部寸切商品は1,320円(税込)
・11,000円(税込)以上で送料無料!
※返品について
商品到着後、5日以内に着払いでご返品ください。

・本サイトでの最低取引価格は「税込550円~」となります。
なお、「税込550円未満のご注文」に関しては、
「税込550円」として処理させていただきます。
・お問合せ商品は、後日当社からご連絡します。
・小数点以下切り上げです。
※箱単価=1本当たりの価格です。

▲ページのトップに戻る