

| 材質 | 鉄(または標準材)、S45C、ステンレス、SUS316 |
|---|---|
| 表面処理 | 生地、ユニクロ、クロメート、三価クロメート、ドブ |
| サイズ | M4~M64 |
| 規格 | - JIS B 1168 - |
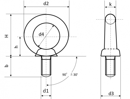
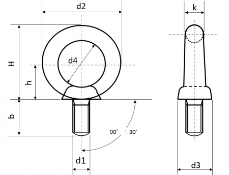
| 特長 | 頭部がリング状になったボルトで、リング部分を目(eye)に見立てて"アイボルト"と呼ばれます。重量物の吊り上げに用いる為 “吊りボルト"とも呼ばれます。モーター・工作機械などにアイボルトを取り付け、リングにワイヤー等を通して吊り上げます。 一点吊り(垂直吊り)のほか、二点吊り(45度吊り)、四点吊り(多点吊り)などの方法もあります。一つの対象物については、ボルトの使用個数には関係なく、そのボルトサイズの使用荷重が適用されます。 例:M10のアイボルト(使用荷重1.74kN/150f)を使用する場合、アイボルトを2個以上取り付けるとしても使用荷重は1.74kN/150fのまま変わりません。 安全作業の為に、受け側の材質は鋼または鋳鉄・横吊使用しない・ボルト座面を対象物に密着させる・ゆっくり吊り上げ急激に上下左右させない・吊り角度は45度以下(30度以下が望ましい)・2個のアイボルトのリングの向きは同一平面同一方向にする・一本のロープ等を複数のリングに掛けない、などをお守りください。 使用荷重の詳細はPDFファイルをご覧下さい。 ※S45CはS45C(N)材となります。 ※お得な輸入品もございます。 作業性を向上させるマルチアイボルトもお勧めです。 |
|---|