

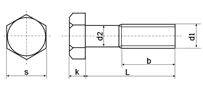
| 材質 | 鉄(または標準材) |
|---|---|
| 表面処理 | ユニクロ、ドブ |
| サイズ | 5/16~7/8 |
| 規格 | - - - |
| 特長 | 胴細でウィット規格の六角ボルトをカットボルトと呼びます。胴細半ねじ(短いサイズは全ねじ)、六角ボルトウィットとも呼びます。 ウィットはネジ山の角度がISO・ユニファイ規格(60°)と異なり、55°です。半ねじは頭部がある雄ねじで円筒部の一部にねじ山が切られていない所(軸)があるものです。胴細は軸(ねじ山の切っていない部分)の外径が、転造下径(ねじ切り前のブランクの径)と等しいことをさします。頭部をもたない総ねじボルト(寸切・ずんぎり)をカットボルトと呼ぶこともあるのでご注意ください。主に、建築関係に使用されます。 |
|---|