

| 材質 | 鉄(または標準材)、ステンレス |
|---|---|
| 表面処理 | 生地、三価クロメート、三価ブラック |
| サイズ | 2.6~5 |
| 規格 | - JIS B 1122 - |
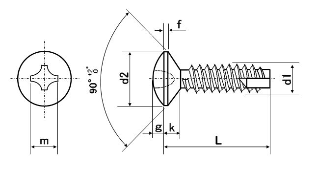
| 特長 | 相手材を削る刃を持たせる為、わずかにテーパーした軸先端部を持つタッピン2種(B0)の軸先1/4周をカットしたタイプ(B1)で、頭部の形状からB1丸皿タッピンやB1丸皿とも呼ばれます。5舒焚爾慮板や非金属・樹脂・硬質ゴム等に、また構造用鋼・鋳物・非鉄鋳物にも使用できます。タッピンねじには他に1.2舒焚爾稜鋼板、ハードボード、木材、樹脂などに適するA型(1種)、5舒幣紊慮板に対応するC0・C1型(3種)が主に流通しています。 相手材の下穴に塑性変形させ(B1・C1タイプは削ることで)ねじ山を形成し(セルフタッピング)するのでねじ単体でねじ締結が出来、ナットやタップ立てが不要です。また雄ねじと雌ねじ嵌合部の遊びが無く緩みや脱落が生じ難くなります。 丸皿はザグリ加工をして頭部を埋め込んで使用し、ザグリできない場合はローゼットワッシャーを使います。引っ掛かりが無く上品な外観となります。 丸皿は「長さL」に頭部厚みの一部を含みます。 ※取付け時には下穴加工が必要です。 |
|---|