


| 材質 | 鉄(または標準材) | 
|---|---|
| 表面処理 | ユニクロ、クロメート、三価クロメート | 
| サイズ | M10(P1.25)~M12(P1.5) | 
| 規格 | - - -  | 
    
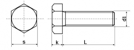
| 特長 | 小形押ねじや小形押ボルトとも呼ばれます。 頭部が正六角形をしている六角ボルトですが、通常ボルトより頭部の二面幅が狭く小型化されたボルトです(例:M12二面幅での比較 通常19个里箸海17mm)。また、細目(ほそめ:ピッチが狭い)であるため衝撃や振動で緩みにくく、締付け微調整も行えるという特徴もあります。その為自動車・トラック・バイク、生産機械など振動対策や小型・軽量であることが必要な場所で多く採用されています。またピッチの細かさを利用して薄板に雌ネジを立てて締結しなければならない場合や気密性の必要なところにも使われます。 こちらは全ねじ(首元からねじ先端までネジ山が切られている)タイプです。  | 
  
|---|