

| 材質 | 鉄(または標準材)、ステンレス |
|---|---|
| 表面処理 | 生地、ユニクロ |
| サイズ | M8~W3/8 |
| 規格 | - - - |
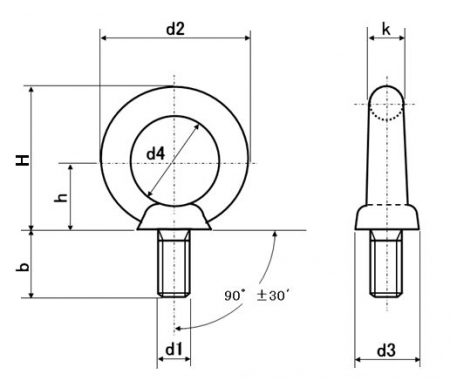
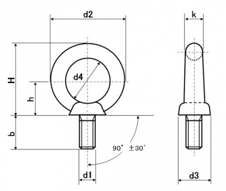
| 特長 | お得な輸入品のアイボルトです。 リング状になった頭部を持つボルトで、リング部分の形状が目(eye)に似ていることから"アイボルト"と呼ばれます。モーター・工作機械などの重量物に取り付け、リング部にワイヤーなどを通して吊り上げる事から “吊りボルト"とも呼ばれます。 垂直吊りのほか、45度吊り、偶数個による多点吊りなどの方法もありますが、一つの荷に対して、ボルト使用個数には関係なくそのボルトサイズの使用荷重が適用されます。例えばM10のアイボルトを複数利用するとしても、使用荷重は1.74kN/150fのまま変わりません。つり荷の荷重が複数のボルトに常に均等にかかるとは限らない為です。 ボルト座面は対象物に密着させる・受け側の材質は鋳または鉄鋼とする・横吊使用しない・吊荷はゆっくり吊り上げ、急激に上下左右させない・2個のアイボルトのリングの向きは同一平面同一方向・吊り角度は45度以下(30度以下が望ましい)・一本のワイヤーを複数のリングに掛けない、などを安全の為にお守りください。 使用荷重の詳細はPDFファイルでご確認いただけます。 ※S45CはS45C(N)材となります。 お探しのサイズが見つからない場合こちらをご覧ください。 作業性を向上させるマルチアイボルトもお勧めです。 |
|---|