


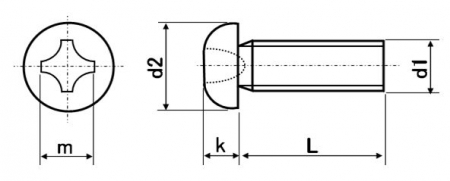
| 材質 | ステンレス |
|---|---|
| 表面処理 | 生地 |
| サイズ | #0~1/4 |
| 規格 | - - - |
| 特長 | 料理鍋をひっくり返したような頭部が名称となっています。英語でpan(パン 鍋) head screw、日本語でもなべ小ねじ、なべビス、ナベ頭などと呼びます。ねじ締結で広く一般的に用いられている小ねじです。 ユニファイ小ねじは米国国家規格協会の定めた規格のインチねじ、インチでねじ径や長さを規定するねじです。本品はねじ山のピッチが細かい細目のため、締結の際に微調整が利き、リード角が小さいことで振動や緩みに強くなります。ピッチは1インチ(=25.4mm)当たりの山数で表し、ねじ山の実数ではありません。ねじ山の角度はJIS規格メートルねじと同じ60°です。呼び径は細い物は#1(いちばん)#2(にばん)などと「番手」で呼び、太いものは一インチを8で割った分数の分子の数(1/4=2/8 二分 にぶ)で呼びます。 ユニファイを採用している北米と英国、またその他の国でも車、バイク、オーディオ、家具等多くの製品に使用されています。 ステンレス製ねじは高速高トルクの締結で焼き付き易い為、電動工具やエアー工具を使用した締付けの際にはご注意下さい。 ユニファイ規格のサイズについてはこちらをご参照下さい。 |
|---|