

| 材質 | 鉄(または標準材)、ステンレス、黄銅(真鍮) |
|---|---|
| 表面処理 | 生地、三価クロメート、ニッケル |
| サイズ | M2~M6 |
| 規格 | - - - |
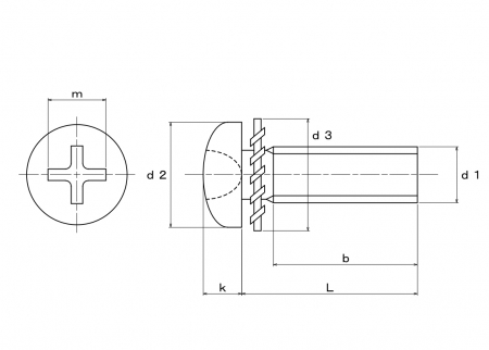
| 特長 | 一般的なねじ締結で広く使われているなべ小ねじにロックワッシャー、スターワッシャー、菊座金とも呼ばれる緩み止めの外歯付座金を組み込んだ「座金組込みねじ(セムス)」です。LO-2のLはlock、Oはout、2は座金とねじの組み合わせである事を意味します。ねじの製造過程で座金を組み込むので一体となって脱落せず組込みの手間も省け、ミスを減らし習熟度による作業時間のばらつきも無く能率アップにつながります。 外歯付座金は外側の歯を45度ほど捻ってあり外歯が相手材に食い込み、締結後のボルト・ナットの回転を止めスプリング作用と摩擦力で緩み止めとして効果を発揮します。樹脂部品の締結での緩み止め、また、アースを取るのに便利なので自動車や電気製品のねじに用いられています。傷を目立たせたくない場合は内歯付座金を利用します。 こちらのなべ小ねじのリセスは十字穴です。なめる等のトラブルを避けるため適合する番号の+ドライバーをお使いください。カムアウトさせないよう(押す力):(回す力)=7:3と押す力を意識して回します。 |
|---|