

| 材質 | 鉄(または標準材) |
|---|---|
| 表面処理 | 三価クロメート |
| サイズ | M2~M6 |
| 規格 | - - - |
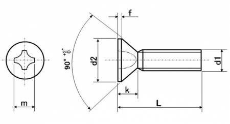
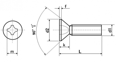
| 特長 | こちらは皿小ねじ(要ザグリ加工)100本入りのパック販売です。 非常に多くの種類があるねじ・ボルト類は、意外に融通が利きません。その都度単価が安いと箱買いし余った使用予定の無いねじ・ボルトは、保管場所の確保や管理の手間が問題となります。また、保管中の錆び、ねじ山のつぶれなどで、結局使用できずに処分することもあります。必要数だけを小ロットでリーズナブルに購入し使い切る袋入りなら、「残ったねじ」問題は起こりません。 皿小ねじはねじ頭部を露出させたくない箇所で、「皿もみ」(ザグリ加工)をして精度良くフラットな締結ができます。頭部は上面に十字穴リセス(駆動溝)がありフラット、90度線形テーパーで細くなりねじ部と繋がります。フラットヘッドねじの他、「皿頭」に因み皿ねじ、皿ビス、皿頭小ねじ、また十字穴付き皿小ねじなどの名称があります。締結にはナット等の「めねじ」が必要です。 サイズはメートルねじを意味するM、(呼び径d1)×(長さL)【単位はmm】です。図面の様に長さに頭部の厚みを例外的に含めます。 |
|---|