

| 材質 | 鉄(または標準材)、ステンレス、黄銅(真鍮) |
|---|---|
| 表面処理 | 生地、三価クロメート、三価ブラック、ニッケル、黒亜鉛 |
| サイズ | M1.4~M2.6 |
| 規格 | - - - |
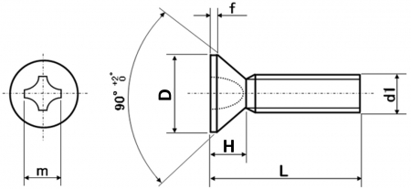
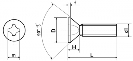
| 特長 | マイクロねじと呼ばれる日本写真機工業規格(JCIS)「精密機器用十字穴付き小ねじ」に基づく皿ねじです。眼鏡ビス、精密ねじ、カメラネジ、0番皿小ねじとも呼びます。小型化や高密度化、軽量化を目的にカメラやメガネはもちろん、PC・スマホ等の小型精密機器や電子機器の狭所、精密箇所に使われます。ザグリ加工が必要ですがフラットに仕上がります。 「0番」は駆動溝(リセス)がJIS規格十字穴(プラス穴)の#0(ゼロ番)であることを指します。0番皿小ねじは頭部サイズの異なる「1種」と「3種」が存在し、1種の方がより小さくJIS皿頭との比較で頭部高が50%程、3種では75%程です。頭部のテーパー角は90°、ピッチはメートル並目です。皿頭は他と異なりねじ長さに頭部を含めます。 こちらは小袋(鉄製1000本入、ステンレス製100本入)での販売です。ご入用が少量の場合に小箱より手軽にお買い求めいただけます。また使い残したねじの管理の手間や廃棄を抑えるので“エコ”です。 ねじコンシェルでは多種多様な0番小ねじを扱っております。 |
|---|