


| 材質 | 鉄(または標準材) |
|---|---|
| 表面処理 | 生地 |
| サイズ | M10 P1.25~M48 P3.0 |
| 規格 | - - - |
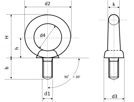
| 特長 | 頭部がリング状になったボルトで、リング部分を目(eye)に見立てて"アイボルト"と呼ばれます。重量物の吊り上げに用いられることから"吊りボルト"とも呼ばれます。細目タイプなので振動などによる緩みが生じにくい、微調整が利くというメリットがあります。 重量物にアイボルトを取り付け、リングにワイヤーやロープを通し、あるいはフック等をかけて吊り上げます。垂直吊り(一点吊り)のほか、45度吊りや4点吊りという方法もあります。一つの対象物において、ボルトの使用数とは関係なく、そのボルトサイズの使用荷重が適用されます(例:M10の使用荷重は1.74kN/150fです。1つの荷に対してM10を複数使用しても吊り上げられるのは1.74kN/150fであり、"M10を2個付ければ使用荷重が3.48kN/300fになる"という事ではありません。これは吊り上げ時の荷重がすべてのアイボルトに常時均等にかかるとは限らないためです)。安全の為リング面に対して垂直に力を掛け、横吊りや引き起し作業はしないでください。 ※横吊りや引き起し作業にはマルチアイボルト (ねじピッチは並目のみとなります)をご使用ください。 使用荷重はこちらから同じ呼び径でご確認いただけます。 |
|---|