

| 材質 | 鉄(または標準材)、アルミ |
|---|---|
| 表面処理 | 生地、三価クロメート |
| サイズ | APS415~SPS840 |
| 規格 | - - - |
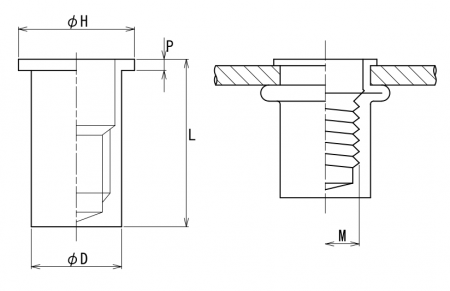
| 特長 | 薄い肉厚の金属板や樹脂素材などにカシメてめねじを取り付けるシールドタイプのブラインドナットです。先端が袋状に閉じており、ボルト先端でワークに傷をつけない、また、ねじとブラインドナットの間に液体を通さない等の目的に使用します。ボルト長さに制限が生じます。 挿入工具(ナッター)を使い下穴へ挿入しカシメます。その際フランジ下のスリーブが母材の裏側で膨らみ円周壁となり、母材の薄板を頭部フランジと円周壁で上下から挟み込みます。片側施工で簡単にめねじを敷設、ねじ締結出来るので裏側へ手を入れられない閉鎖断面の部材で、また補修やDIYでも活躍します。母材を傷めず表面処理後の取り付けも可能。溶接ナットの取付やパーリング加工などと比べて簡単かつ迅速に施工でき組立ラインの自動化に適しており、組立工程の簡素化・スピードアップに有効です。 フランジがより小さい“スモールフランジタイプ"や閉じていないオープンタイプもあります。 サイズ表示(例)SPS415の415は呼び径がM4、推奨締結板厚の上限が1.5个魄嫐します。 |
|---|