

| 材質 | 鉄(または標準材) |
|---|---|
| 表面処理 | 生地、三価クロメート |
| サイズ | M10~M12 |
| 規格 | - JIS B 1196 - |
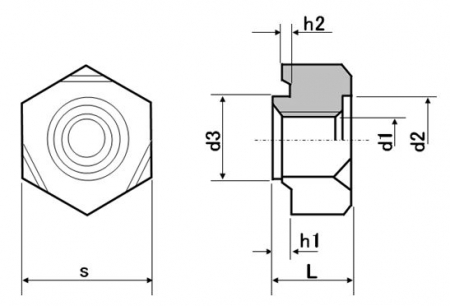
| 特長 | 六角溶接ナットA型P付細目や六角ウエルド(ウェルド)ナットパイロット付き細目とも呼ばれる座面に位置決めガイドのパイロットが有ります。ピッチの細かな細目は振動に強い、微調整が効くなどの特徴があります。鋼板へ雌ねじを作るため自動車、電子機器などで利用されます。大電流と圧力をかけて溶接する「プロジェクション溶接」用の突起(プロジェクション)が着座面に3か所形成されています。溶接ナットには六角タイプの他、突起部が4つ有る四角タイプや振動に強く薄板に最適なT型タイプ等があります。 プロジェクション溶接は、溶接時間が極短く加工コストが低い、位置精度が高く複数部品を一度に溶接可能、溶接棒やフラックスは不要等、の特徴のある抵抗溶接の一種です。被溶接材に電流を集中させて抵抗熱を発生させる溶接用の突起部(プロジェクション)を設け、加熱と同時に加圧接合をします。発熱は極短時間で突起部に熱が集中するので歪みを抑制しワークのダメージを最小にした溶接です。 パイロット無し(1B型)はこちらからご購入いただけます。 |
|---|