

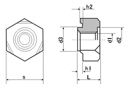
| 材質 | 鉄(または標準材)、ステンレス |
|---|---|
| 表面処理 | 生地、ユニクロ、クロメート、三価クロメート |
| サイズ | M4~M12 |
| 規格 | - JIS B 1196 - |
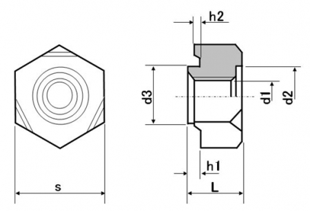
| 特長 | 六角溶接ナットA型P付や六角ウエルド(ウェルド)ナットパイロット付きとも呼ばれます。正確な位置決めを容易にするガイド「パイロット」付きです。鋼板へ雌ねじを作るために自動車、産業機械など様々な分野で使用されています。専用機械によって溶接(プロジェクション溶接)する為の突起(プロジェクション)を着座面に3か所形成した六角ナットです。六角タイプの他、溶接強度の高い四角タイプや振動に強く薄板に最適なT型タイプ、また六角タイプの細目ご用意できます。 プロジェクション溶接は被溶接材に溶接用の突起部(プロジェクション)を設けて電流を集中させて抵抗熱(ジュール熱)を発生させ、加熱と同時に加圧接合をする抵抗溶接の一種です。極短時間で発熱し突起部に熱が集中ことでワークに対するダメージを最小にして歪みを抑制した安定した溶接が出来ます。メリットとして溶接時間が極短く加工コストが低い、位置精度が高く複数部品を一度に溶接可能、溶接棒やフラックスは不要等数多く有ります。 パイロット無し(1B型)はこちらよりご購入いただけます。 |
|---|