

| 材質 | 鉄(または標準材) |
|---|---|
| 表面処理 | ユニクロ、三価クロメート |
| サイズ | M3~M10 |
| 規格 | - JIS B 1185 - |
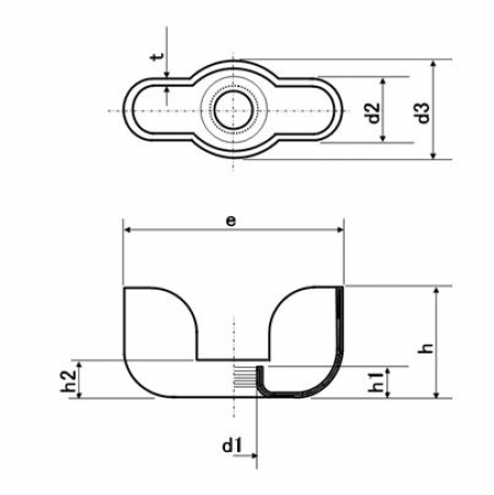
| 特長 | “ちょうナット”や“ウイングナット(英 wing nut)”という外観を蝶のハネに見立てた呼び名を持ちます。その名の通りおねじと組み合わせるめねじ(ナット)です。工具を使わなくても手ではねを摘まんで締結・取り外しが出来るので、繰り返し付け外しを行う締結強度が求められない場所で利用されています。全金属製で耐久性があり清潔に保ち易いこともあり、工業機械、医療機器、楽器や家具等にも採用されています。おねじの蝶ボルトも同様に用いられています。 JISには蝶ナットを翼の形や大きさ、製造法などによって分類する1種〜4種までの規格があります。3種はプレス加工【平板を凸凹の金型に挟んで成型する加工法】によって製造する物とされ、軽量で安価です。3種にはこちらのねじの部分が短い低型とネジ部が長い高形があります。1、2種は翼に空洞が無く1種は先端が円弧状、2種は翼の先端が角型で製造方法の圧造(鍛造)・鋳造等は任意です。2種はさらに翼の幅の大きなHタイプと小さなRタイプとに分けられます。4種は角型の翼に凹みを持ち、製造方法が鋳造と規定されています。 |
|---|