


| 材質 | ステンレス |
|---|---|
| 表面処理 | 生地 |
| サイズ | M3~M8 |
| 規格 | - - - |
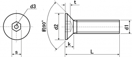
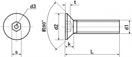
| 特長 | 皿キャップの六角穴リセスの真ん中に「いじり止め」と呼ばれるピンが付いています。一般に流通している六角レンチではボルトを回せず、センターピンに対応した専用六角レンチが必要です。ザグリ加工を施すかローゼットワッシャーを利用して取り付けますが、締結後ねじを掴む出っ張りがなく直接ペンチ類でねじを回すことが出来ません。こうした特徴により「危険源へのアクセス防止」「許可されていない改造・修理・いたずらなどでの機能、安全性の低下防止」「盗難防止」を目的に「タンパープルーフねじ」(「いたずら防止ねじ」「盗難防止ねじ」とも呼ばれる)として用いられます。 ドライブ(リセス)の基本形が六角穴の為、プラス穴ドライブのねじ類よりもカムアウトしにくく、大きな締付トルクをかけることができ確実な締結を行うことが出来ます。構造上、工具の強度は通常の六角レンチより劣ります、ご注意ください。ピン付き皿キャップとも呼ばれます。 専用工具はこちらでご紹介しています。 「いたずら防止」ねじとしてさらに効果の高い5ロブ花弁皿ボルト、センターピン付6ロブ皿キャップもご用意があります。 |
|---|