

| 材質 | 鉄(または標準材) |
|---|---|
| 表面処理 | ニッケル、銅メッキ |
| サイズ | M6×23~M6×70 |
| 規格 | - - - |
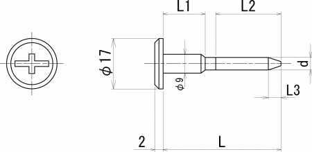
| 特長 | ジョイントコネクターボルトは呼び径をM6(並目)に統一し、鬼目ナットやジョイントコネクターナット等との組み合わせで簡単・確実に木材製品の構造体の接合をシステム化するために開発されたボルトです。工場で部材を生産し、現地で組み立てる「ノックダウン方式」を大型家具でも可能にしました。輸送コストを大幅に抑え、搬入問題を解決。そのため組立家具のみならず、ユニット家具やキャビネット等に幅広く採用されています。 Aタイプ(JCB-A)は首下径がφ9个箸佑孤瑤茲蠡世デザインされ、荷重のかかる大型構造体や重量物等の接合に最も適しています。広い面積の皿状頭部(φ17mm)で安定した直角精度を得られ、高トルクでの締結の際に陥没を防ぎ、接合部材表面を保護します。ボードとボードの接合の様な直角度や強度、美観を必要とする個所に最適です。ボルト先端部は作業性を高めるガイドテーパーが付き、ナットへの挿入が容易になっています。また、+・−どちらのドライバーでも締結できます。 強力な締結力が必要な場合は六角穴付タイプをご利用ください。 |
|---|