

| 材質 | 鉄(または標準材)、ステンレス、SUS316 |
|---|---|
| 表面処理 | 生地 |
| サイズ | M3~M16 |
| 規格 | - - DIN929 |
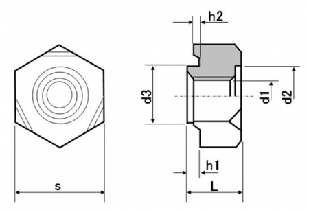
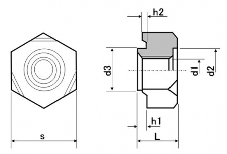
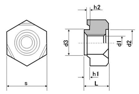
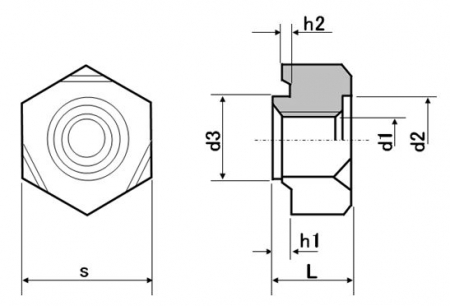
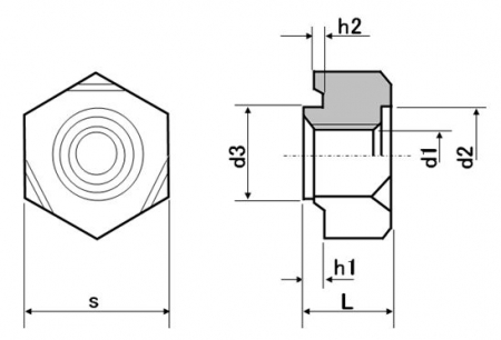
| 特長 | ドイツ工業規格DINに準じており六角ウエルド(ウェルド)ナットDINとも呼ばれます。ナットの着座面に3か所突起(プロジェクション)があり正確な位置決めを容易にするガイド「パイロット」付きのプロジェクション溶接用の六角溶接ナットです。材質としてSUS304に比べ、海水などでの耐食性に優れたSUS316を選択できるので海水ポンプや配管部材、船舶部品などへの使用も出来ます。(ただし厳しい環境下でのご使用はお控え下さい) プロジェクション溶接は電流を流すことで発生するジュール熱を利用する抵抗溶接の一種です。被溶接材に溶接用の突起部(プロジェクション)を作り電流を集中させて発熱させ、加熱と同時に加圧接合します。突起部のみが極短時間発熱することでワークに対するダメージを最小にして歪みを抑制した溶接が出来ます。溶接時間が極短く加工コストが低い、位置精度が高く複数部品を一度に溶接可能、溶接棒やフラックスは不要等数多くのメリットが有ります。溶接ナットは省スペースの六角タイプの他、溶接強度の高い四角タイプや振動に強く薄板に最適なT型タイプが有ります。 ※海外からのお取り寄せとなります。 |
|---|