

| 材質 | 鉄(または標準材) |
|---|---|
| 表面処理 | 生地、三価クロメート |
| サイズ | M4~M8 |
| 規格 | - JIS B 1196 - |
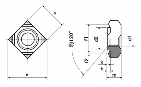
| 特長 | 四角溶接ナットP付や四角ウエルド(ウェルド)ナットパイロット付きとも呼ばれます。座面にはパイロット(位置決めガイド)が有り作業性に優れます。産業機械、自動車など様々な場所で幅広く利用されています。1C型はプロジェクション溶接用の突起(プロジェクション)が4ヵ所、ナット本体の着座面四隅にあり六角タイプより高い溶接強度が有ります。溶接ナットはこの四角タイプの他、省スペースの六角タイプや振動に強く薄板に最適なT型タイプがあります。T型タイプはプロジェクション溶接用のダボ付き(1A、1B)とスポット溶接用のダボなし(2A、2B)が有ります。 プロジェクション溶接は溶接時間が極短く加工コストが低い、位置精度が高く複数部品を一度に溶接可能、溶接棒やフラックスは不要等の特徴のある抵抗溶接の一種です。電流を集中させて抵抗熱を発生させる溶接用の突起部(プロジェクション)を設け、加熱と同時に加圧接合をします。発熱は極短時間で突起部に集中するので歪みとワークのダメージを最小にします。 パイロット無し(1D)はこちらへ。 |
|---|