

| 材質 | 鉄(または標準材) |
|---|---|
| 表面処理 | 三価クロメート |
| サイズ | M5×8~M6×20 |
| 規格 | - - - |
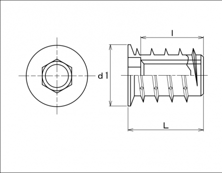
| 特長 | つば付・ねじ込み式鬼目ナットのDタイプの平行形状のインサートナット、軟材の為しっかりとしためねじを形成しにくい木材向けです。基本フォルムをテーパー形状でなく傾斜の無い円柱状にして母材に対して真直ぐ鉛直に設置し易くしています。挿入抵抗の少なさや挿入初めの位置合わせの容易さはテーパータイプが勝ります。挿入方法は六角レンチ等を利用するねじ込み式で比較的硬い母材に対しています。ねじ込む際にナット外部にある羽が母材にしっかりくい込み、戻りや緩みがありません。頭部の大型つばが挿入時のナットの陥没を防ぎ、締結時の荷重を分散するので硬質部材だけでなく軟材や部材を挟んでの使用にも対応しています。 鬼目ナットは木製部材へボルト接合用めねじを形成するために使用します。組立式家具への利用にとどまらず、テーブル脚の様な脱着を繰り返す必要のある箇所や木工製品の可動部分に最適で、その手軽さからDIYでも広く利用されています。 ※サイズは『d(呼び径)×L(全長)』です。 ※材質の“鉄”は『亜鉛合金ダイカスト』となります。 |
|---|