

| 材質 | 鉄(または標準材) |
|---|---|
| 表面処理 | 三価クロメート |
| サイズ | M4×10~M8×20 |
| 規格 | - - - |
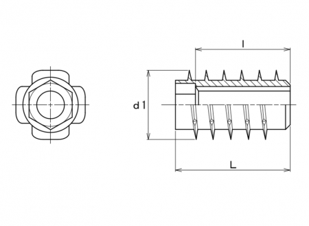
| 特長 | つば無し・ねじ込み式鬼目ナットのEタイプをテーパー(傾斜)ではなく平行にした木材用インサートナットです。テーパーが無いので母材へより真っ直ぐに取り付けが可能です。比較的硬い母材に対して施工するのに適しています。高い引抜強度のねじ込み式は、下穴に六角レンチやインパクトドライバー等などを用いてねじ込みながら挿入して取り付けます。切り欠きがある外周のねじ部はそれぞれ独立した歯となって母材にしっかり食い込み、インサートが母材の中で回転して起こる戻り・緩みを防ぎます。つば無しの為、相手材へ完全に埋め込むことができ、高い密着度が得られます。同機能のつば付タイプも有ります。 鬼目ナットは組立方式家具等でねじ接合をするために使用される木工用インサートナットです。木工で着脱が自由に出来る堅固な構造や可動部分を手軽に制作できるのでDIYでも広く利用されています。 鬼目ナットシリーズの特徴はこちらでご確認いただけます。 ※サイズは『d(呼び径)×L(全長)』となります。 ※材質の“鉄”は『亜鉛合金ダイカスト』となります。 |
|---|