


| 材質 | ステンレス |
|---|---|
| 表面処理 | 生地 |
| サイズ | #1~3/8 |
| 規格 | - - - |
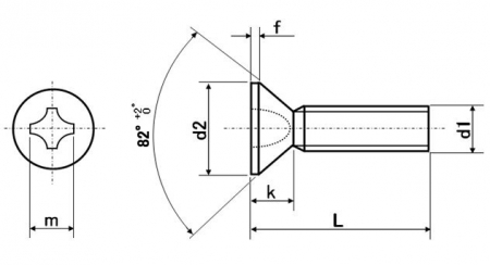
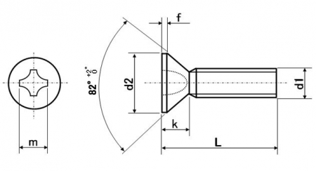
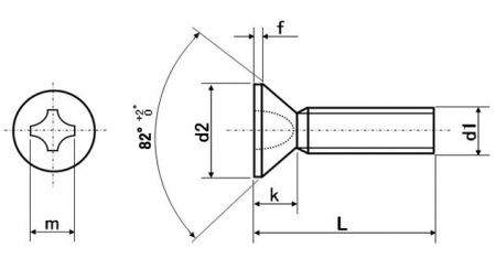
| 特長 | 英語flat head screws(フラットヘッドねじ)の他、皿頭小ねじ、皿ビス、十字穴付き皿小ねじなど名称通り、頭部上面がフラットな「皿」形をしています。相手材に「皿もみ・座ぐり(ザグリ)」をして使用します(皿部分は一般のメートルねじでは90°テーパーなのに対してユニファイでは約80°テーパーと異なります)。海外製の電化製品や自動車・バイク、家具などに使用されています。 こちらはインチねじ(並目)になります。(呼び径)×(呼び長さ)ともにインチで規定され、ねじのピッチは『1"(1インチ≒25.4mm)』あたりの山数で示します。呼び長さは他の小ねじ類と異なり頭部の厚みを含めます。呼び径は細い物は#1(いちばん)#2(にばん)などと「番手」で呼びます。太いものは一インチを8で割った分数の分子の数で呼びます(例1/4=2/8 二分 にぶ、 5/16=2.5/8 二分五厘 にぶごりん)。皿頭はなめやすいため十字穴サイズに適合した+ドライバーで押す力:回す力=7:3を意識して回します。またステンレスは鉄と比較して焼き付きやすく電動工具やエアー工具を使用した締付けは特にご注意ください。 ユニファイ規格のサイズについてはこちらをご参照下さい。 |
|---|