

| 材質 | 鉄(または標準材)、ステンレス、黄銅(真鍮) |
|---|---|
| 表面処理 | 生地、ユニクロ、三価クロメート |
| サイズ | M2~M20 |
| 規格 | - - - |
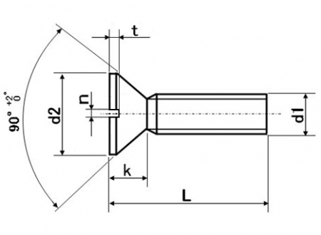
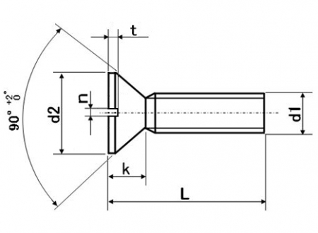
| 特長 | 皿型頭部(皿頭)を持ち90度のテーパー角でねじ胴部と繋がります。フラットな上面中央のリセスは−(マイナス)ドライバーで廻せる「すり割り(−)」です。蝶番のように出っ張ると支障がある箇所へ、「皿もみ」(ザグリ加工)をして頭部を沈め面一に締結します。ローゼットワッシャーを利用すると皿もみ無しでも使用できます。すり割り付き皿小ねじ、−サラビス、−サラ小ねじ、マイナスねじなどの名称があります。 「すり割り付き(−)」の作業性を大きく向上させた「十字穴付き(+)」ですが、今でも「すり割り」のメリットが有ります。屋外や水回り等では、リセスに水や汚れが溜り難く除き易い「すり割り」が採用されます。また十字穴よりもカムアウトし難く大きなトルクでねじを廻すことが出来、付け外しを繰り返してもリセスが長持ちし易い事もメリットです。またアンティーク家具ではぬくもりを、腕時計などの装飾品では高級感や洗練された印象を与えるアイテムとしても用いられます。 皿小ねじは他の小ねじ類とは異なり「長さ」に頭部を含めます。 |
|---|