3月1日より高強度ステンレスシリーズの割引キャンペーンを実施します!                                    ★★ ねじコンシェル.comは全品 税込 価格です ★★                                    リクエスト商品も受付中です。お気軽にご相談ください。                                    取扱い商品、ドンドン拡充中です。                                    

商品名/型番検索

ショッピングカート

0点の商品が入っています。

合計 0円(税込)

取り扱い商品一覧

小ねじ・マイクロねじ

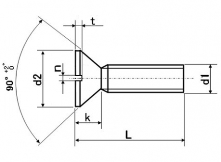
(-)皿小ねじ

材質 鉄(または標準材)、ステンレス、黄銅(真鍮)
表面処理 生地、ユニクロ、三価クロメート
サイズ M2~M20
規格 -
-
-
特長 皿型頭部(皿頭)を持ち90度のテーパー角でねじ胴部と繋がります。フラットな上面中央のリセスは−(マイナス)ドライバーで廻せる「すり割り(−)」です。蝶番のように出っ張ると支障がある箇所へ、「皿もみ」(ザグリ加工)をして頭部を沈め面一に締結します。ローゼットワッシャーを利用すると皿もみ無しでも使用できます。すり割り付き皿小ねじ、−サラビス、−サラ小ねじ、マイナスねじなどの名称があります。
「すり割り付き(−)」の作業性を大きく向上させた「十字穴付き(+)」ですが、今でも「すり割り」のメリットが有ります。屋外や水回り等では、リセスに水や汚れが溜り難く除き易い「すり割り」が採用されます。また十字穴よりもカムアウトし難く大きなトルクでねじを廻すことが出来、付け外しを繰り返してもリセスが長持ちし易い事もメリットです。またアンティーク家具ではぬくもりを、腕時計などの装飾品では高級感や洗練された印象を与えるアイテムとしても用いられます。
皿小ねじは他の小ねじ類とは異なり「長さ」に頭部を含めます。

・全国一律送料880円(税込)
※ただし一部寸切商品は1,320円(税込)
・11,000円(税込)以上で送料無料!
※返品について
お客様都合での返品は承りかねます。
返品に関してはこちらよりご確認ください。

・本サイトでの最低取引価格は「税込550円~」となります。
なお、「税込550円未満のご注文」に関しては、
「税込550円」として処理させていただきます。
・問合せ商品は、後日当社からご連絡します。
・小数点以下切り上げです。
※箱単価=1本当たりの価格です。

サイズ 材質 表面処理 d2 k n t - - - 箱単価 入数 ばら
売り
ばら
単価
税抜
価格
発送目安 数量
(個)
価格
M10×65 鉄(または標準材) 生地 20 5.7 2.0 2.5 62.84 100 × - 問合せ 0
M10×70 鉄(または標準材) 生地 20 5.7 2.0 2.5 67.76 100 × - 問合せ 0
M10×75 鉄(または標準材) 生地 20 5.7 2.0 2.5 75.77 100 × - 問合せ 0
M10×80 鉄(または標準材) 生地 20 5.7 2.0 2.5 90.56 80 × - 問合せ 0
M10×90 鉄(または標準材) 生地 20 5.7 2.0 2.5 97.33 70 × - 問合せ 0
M10×100 鉄(または標準材) 生地 20 5.7 2.0 2.5 117.70 70 × - 問合せ 0
M10×110 鉄(または標準材) 生地 20 5.7 2.0 2.5 151.58 60 × - 問合せ 0
M10×120 鉄(または標準材) 生地 20 5.7 2.0 2.5 170.72 40 × - 問合せ 0
サイズ 材質 表面処理 d2 k n t - - - 箱単価 入数 ばら
売り
ばら
単価
税抜
価格
発送目安 数量
(個)
価格
M10×130 鉄(または標準材) 生地 20 5.7 2.0 2.5 174.35 40 × - 問合せ 0
M12×20 鉄(または標準材) 生地 24 6.7 2 2.5 64.07 130 × - 問合せ 0
M12×25 鉄(または標準材) 生地 24 6.7 2 2.5 54.19 120 × - 問合せ 0
M12×30 鉄(または標準材) 生地 24 6.7 2 2.5 59.03 100 × - 問合せ 0
M12×35 鉄(または標準材) 生地 24 6.7 2 2.5 63.45 80 × - 問合せ 0
M12×40 鉄(または標準材) 生地 24 6.7 2 2.5 66.53 70 × - 問合せ 0
M12×45 鉄(または標準材) 生地 24 6.7 2 2.5 73.31 60 × - 問合せ 0
M12×50 鉄(または標準材) 生地 24 6.7 2 2.5 76.39 60 × - 問合せ 0
サイズ 材質 表面処理 d2 k n t - - - 箱単価 入数 ばら
売り
ばら
単価
税抜
価格
発送目安 数量
(個)
価格
M12×55 鉄(または標準材) 生地 24 6.7 2 2.5 89.94 50 × - 問合せ 0
M12×60 鉄(または標準材) 生地 24 6.7 2 2.5 93.64 50 × - 問合せ 0
M12×65 鉄(または標準材) 生地 24 6.7 2 2.5 98.56 70 × - 問合せ 0
M12×70 鉄(または標準材) 生地 24 6.7 2 2.5 110.33 70 × - 問合せ 0
M12×75 鉄(または標準材) 生地 24 6.7 2 2.5 112.75 60 × - 問合せ 0
M12×80 鉄(または標準材) 生地 24 6.7 2 2.5 116.49 60 × - 問合せ 0
M12×90 鉄(または標準材) 生地 24 6.7 2 2.5 120.12 50 × - 問合せ 0
M12×100 鉄(または標準材) 生地 24 6.7 2 2.5 131.23 45 × - 問合せ 0

この商品を購入した方におすすめ

・全国一律送料880円(税込)
※ただし一部寸切商品は1,320円(税込)
・11,000円(税込)以上で送料無料!
※返品について
商品到着後、5日以内に着払いでご返品ください。

・本サイトでの最低取引価格は「税込550円~」となります。
なお、「税込550円未満のご注文」に関しては、
「税込550円」として処理させていただきます。
・お問合せ商品は、後日当社からご連絡します。
・小数点以下切り上げです。
※箱単価=1本当たりの価格です。

▲ページのトップに戻る