5月1日より鬼目ナットシリーズの割引キャンペーンを実施中                                    ★★ ねじコンシェル.comは全品 税込 価格です ★★                                    リクエスト商品も受付中です。お気軽にご相談ください。                                    取扱い商品、ドンドン拡充中です。                                    

商品名/型番検索

ショッピングカート

0点の商品が入っています。

合計 0円(税込)

取り扱い商品一覧

小ねじ・マイクロねじ、座金組込みねじ

(+)六角アプセットボルト P=1

材質 鉄(または標準材)、ステンレス
表面処理 生地、三価クロメート、三価ブラック
サイズ M3~M10
規格 -
JIS B 1187
-
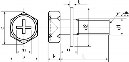
特長 六角アプセットボルトに緩み止め、陥没防止の平座金(JIS規格)を組み込んでいます。ねじの製造過程で座金は組み込まれており、脱落せず、組込みの手間がないので作業時間の短縮に効果があります。
六角アプセットボルトの頭部は上面が少し凹んだ丸みのある六角柱で中央には十字溝があります。そのためボックスレンチ、スパナ、+ドライバー等、様々な工具で締め付け出来、複数の人が扱う場所や頻繁に付け外しが必要な個所でとても便利です。また比較的柔らかい印象の外観なので装飾目的に使用されることもあります。
セムス(SEMS)」の名称は1930年代に座金組込ねじを開発、特許を取得した米国イリノイツールワーク社が与えました。日本での流通初期に、ねじとばね座金(SW)の2つの部品(2ピースPiece)でできたセムスを[P=2]、ねじとSW、平座金の3ピースの物は[P=3]と呼びました。その後、本品のような平座金だけを[P=1]、座金がISO規格のときは[P]ではなく[I]を用いる、などアルファベットと数字の組み合わせで呼び分ける事が習慣化しました。

→平座金の規格一覧はこちら

・全国一律送料880円(税込)
※ただし一部寸切商品は1,320円(税込)
・11,000円(税込)以上で送料無料!
※返品について
お客様都合での返品は承りかねます。
返品に関してはこちらよりご確認ください。

・本サイトでの最低取引価格は「税込550円~」となります。
なお、「税込550円未満のご注文」に関しては、
「税込550円」として処理させていただきます。
・問合せ商品は、後日当社からご連絡します。
・小数点以下切り上げです。
※箱単価=1本当たりの価格です。

サイズ 材質 表面処理 P(ピッチ) k s e d2×t u (max.) m 箱単価 入数 ばら
売り
ばら
単価
税抜
価格
発送目安 数量
(個)
価格
M6×8 鉄(または標準材) 三価クロメート 1.0 4.0 10 10.9 13×10. 3.7 6.2 8.52 400 × - 1営業日 0
M6×10 鉄(または標準材) 三価クロメート 1.0 4.0 10 10.9 13×10. 3.7 6.2 7.85 400 × - 1営業日 0
M6×12 鉄(または標準材) 三価クロメート 1.0 4.0 10 10.9 13×10. 3.7 6.2 7.85 350 × - 1営業日 0
M6×14 鉄(または標準材) 三価クロメート 1.0 4.0 10 10.9 13×10. 3.7 6.2 8.29 350 × - 1営業日 0
M6×15 鉄(または標準材) 三価クロメート 1.0 4.0 10 10.9 13×10. 3.7 6.2 8.52 300 × - 1営業日 0
M6×16 鉄(または標準材) 三価クロメート 1.0 4.0 10 10.9 13×10. 3.7 6.2 8.74 300 × - 1営業日 0
M6×18 鉄(または標準材) 三価クロメート 1.0 4.0 10 10.9 13×10. 3.7 6.2 9.10 300 × - 1営業日 0
M6×20 鉄(または標準材) 三価クロメート 1.0 4.0 10 10.9 13×10. 3.7 6.2 9.76 250 × - 1営業日 0
サイズ 材質 表面処理 P(ピッチ) k s e d2×t u (max.) m 箱単価 入数 ばら
売り
ばら
単価
税抜
価格
発送目安 数量
(個)
価格
M6×25 鉄(または標準材) 三価クロメート 1.0 4.0 10 10.9 13×10. 3.7 6.2 10.54 350 × - 1営業日 0
M6×30 鉄(または標準材) 三価クロメート 1.0 4.0 10 10.9 13×10. 3.7 6.2 11.88 300 × - 1営業日 0
M6×35 鉄(または標準材) 三価クロメート 1.0 4.0 10 10.9 13×10. 3.7 6.2 12.94 250 × - 1営業日 0
M6×40 鉄(または標準材) 三価クロメート 1.0 4.0 10 10.9 13×10. 3.7 6.2 14.50 200 × - 1営業日 0
M6×45 鉄(または標準材) 三価クロメート 1.0 4.0 10 10.9 13×10. 3.7 6.2 16.26 200 × - 1営業日 0
M6×50 鉄(または標準材) 三価クロメート 1.0 4.0 10 10.9 13×10. 3.7 6.2 18.89 200 × - 1営業日 0
M8×12 鉄(または標準材) 三価クロメート 1.25 5.5 13 14.1 18×1.6 4.2 7.2 17.95 150 × - 1営業日 0
M8×14 鉄(または標準材) 三価クロメート 1.25 5.5 13 14.1 18×1.6 4.2 7.2 17.95 150 × - 1営業日 0
サイズ 材質 表面処理 P(ピッチ) k s e d2×t u (max.) m 箱単価 入数 ばら
売り
ばら
単価
税抜
価格
発送目安 数量
(個)
価格
M8×15 鉄(または標準材) 三価クロメート 1.25 5.5 13 14.1 18×1.6 4.2 7.2 17.95 150 × - 1営業日 0
M8×16 鉄(または標準材) 三価クロメート 1.25 5.5 13 14.1 18×1.6 4.2 7.2 18.41 130 × - 1営業日 0
M8×18 鉄(または標準材) 三価クロメート 1.25 5.5 13 14.1 18×1.6 4.2 7.2 19.40 130 × - 1営業日 0
M8×20 鉄(または標準材) 三価クロメート 1.25 5.5 13 14.1 18×1.6 4.2 7.2 19.40 120 × - 1営業日 0
M8×25 鉄(または標準材) 三価クロメート 1.25 5.5 13 14.1 18×1.6 4.2 7.2 20.83 150 × - 1営業日 0
M8×30 鉄(または標準材) 三価クロメート 1.25 5.5 13 14.1 18×1.6 4.2 7.2 22.29 150 × - 1営業日 0
M8×35 鉄(または標準材) 三価クロメート 1.25 5.5 13 14.1 18×1.6 4.2 7.2 25.18 130 × - 1営業日 0
M8×40 鉄(または標準材) 三価クロメート 1.25 5.5 13 14.1 18×1.6 4.2 7.2 28.10 100 × - 1営業日 0

この商品を購入した方におすすめ

・全国一律送料880円(税込)
※ただし一部寸切商品は1,320円(税込)
・11,000円(税込)以上で送料無料!
※返品について
商品到着後、5日以内に着払いでご返品ください。

・本サイトでの最低取引価格は「税込550円~」となります。
なお、「税込550円未満のご注文」に関しては、
「税込550円」として処理させていただきます。
・お問合せ商品は、後日当社からご連絡します。
・小数点以下切り上げです。
※箱単価=1本当たりの価格です。

▲ページのトップに戻る