

| 材質 | 鉄(または標準材)、ステンレス |
|---|---|
| 表面処理 | 生地、三価クロメート、三価ブラック |
| サイズ | M2~M8 |
| 規格 | - JIS B 1188 - |
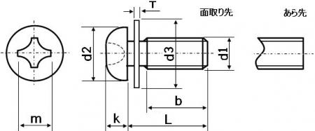
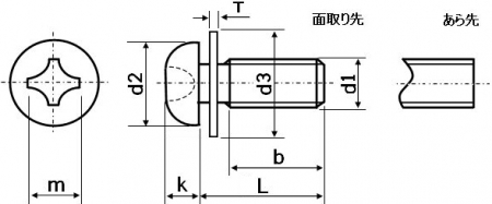
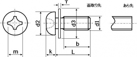
| 特長 | 一般的なねじ締結に最もよく使われるなべ小ねじに、平座金(JIS規格)が組込まれています。なべ頭セムス小ねじやナベセムスP1とも呼ばれます。座金を組込む手間や脱落の心配が無いので作業の効率化に有効です。なべセムスには他にも、ばね座金組込のP=2、ばね座金と平座金組込(旧JIS規格)のP=3、ばね座金と平座金(JIS小型)組込のP=4などを用途に合わせてお選びいただけます。他にも様々なネジ・ボルトのセムスがあります。 現在量産されるねじ・ボルトの大部分はまず線材をカットしヘッダー加工にて頭とねじ山がない胴から成る「ねじブランク」を作ります。その後ねじ山を刻んだ型、2枚のダイプレートで挟み込み、間を転がす事でねじ山を成形します(転造)。その際ねじの「山」は盛り上がります。転造の前に座金を組み込むと、ねじ山径は座金の穴径より大きくなるので座金はねじから抜けなくなります。 「セムス」の呼び名は、1930年代にイリノイツールワーク社が開発し特許を取得した座金組み込みねじの登録商標から来ています。 →平座金の規格一覧はこちら |
|---|