


| 材質 | ステンレス |
|---|---|
| 表面処理 | 生地 |
| サイズ | #0~1/4 |
| 規格 | - - - |
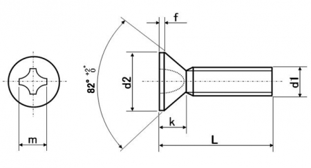
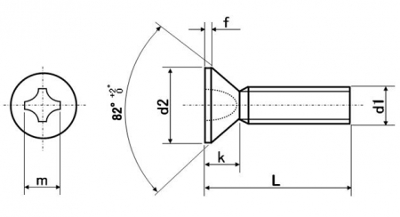
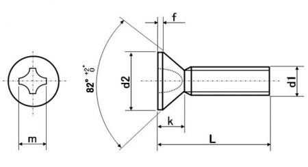
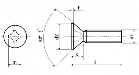
| 特長 | 皿小ねじのユニファイ規格細目(UNF)です。細目はピッチが細かくリード角が小さいため微調整が利く、小さなトルクで回しても軸力を高めやすく緩みに強い、という強みがあります。 flat head screws、UNF(FLAT)、フラットヘッド、皿頭小ねじ、皿ビス、などと呼ばれるように、頭部は上面が平らな皿形、中央に十字穴リセスを持っています。締結の際は座ぐり(ザグリ)加工をして頭部を沈めます。頭部裏面は円錐型、約80°テーパーです。メートル皿小ねじと角度が異なります。締結時の位置の正確性に優れ、海外製の機械、自動車・バイク、サッシなどに使用されています。 径や長さをインチ『1"(1インチ≒25.4mm)』で規定されるインチねじです。サイズはユニファイ細目を表すUNFを頭に(呼び径)×(呼び長さ)と表記します。呼び長さに他の小ねじ類とは異なり頭部を含めます。径は細い物は#1(いちばん 約1.854mm)などと「番手」で呼び、太くなると一インチを8で割った分数の分子の数で呼びます(例1/4=2/8 二分 にぶ 約6.35mm)。ねじピッチは1インチあたりの山数です。 ユニファイ規格のサイズについてはこちらをご参照下さい。 |
|---|