

| 材質 | 鉄(または標準材)、ステンレス、黄銅(真鍮) |
|---|---|
| 表面処理 | 生地、ユニクロ、三価クロメート |
| サイズ | M4~M16 |
| 規格 | - - - |
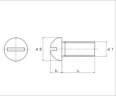
| 特長 | 一般的ななべ頭と比較して頭部は丸く厚みが増し、半球に近い形になります。リセスは−(マイナス)ドライバーで廻すすり割りタイプです。マイナス丸小ねじ、−丸ビス、マイナスねじとも呼ばれます。 「すり割り」にはリセスに水や汚れがたまりにくく清掃しやすい、カムアウトしにくくリセスをなめにくい等の利点があります。その為水回りや屋外のような厳しい環境の場所へ、またコイン等でも廻せるので頻繁につけ外しをするカバーの取り付けねじ等に利用されます。更に外観は精巧でクールな印象を与え、バイクやアンティーク調家具等の趣味性の高い製品でも使われます。 すり割り付きの締結用ねじの歴史は古く、15世紀半ばには広く使われていました。当時リセスは弓鋸を使って刻み込まれる等すべて手作りで精度は高くなく高価でした。18世紀に製造の機械化、量産化が進み、19世紀にウィットウォースにより規格化(ウィットねじ)が進んで産業革命に貢献しました。プラス溝(十字穴)が普及したのは20世紀になってからです。 ウィット規格品はこちらへ。 |
|---|