

| 材質 | 鉄(または標準材) |
|---|---|
| 表面処理 | 三価クロメート |
| サイズ | M2~M6 |
| 規格 | - - - |
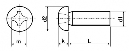
| 特長 | 汎用性が高く、小ねじ類の中で一般的に最も多く利用されているなべ小ねじの100本入りパック販売です。 箱買いは「ばら売り」の購入と比較すると一本当たりの単価を大幅に抑えることが出来ます。しかし、大量に使用予定のないねじが残ると、保管場所や管理の手間が問題になります。また保管中に、錆びる、ねじ山がつぶれるなどして結局処分する事になりがちです。小ロット販売の「袋入り」なら、必要な数量だけを安価に購入し、余計なコストを掛けずに済みます。 頭部が鍋をひっくり返したような形状からなべ小ねじ、なべビス、パンヘッド(PAN 英語で鍋)等と呼ばれます。十字穴付きなのでプラスねじとも呼ばれます。ナット等の雌ねじに捻じ込んで締結し、締め付け後は頭部が露出します。頭部の露出を避けるには袋入りの皿小ねじ(要ザグリ加工) や、ラミメイト小ねじ(超低頭タイプ)をご利用下さい。 サイズ欄は(呼び径d1)×(長さL)mmです。皿ねじ・丸皿ねじ等を除き、図面の様に一般にねじの長さには頭部の厚みを含めません。 |
|---|