

| 材質 | ステンレス、黄銅(真鍮) |
|---|---|
| 表面処理 | 生地、ニッケル |
| サイズ | M3~M6 |
| 規格 | - - - |
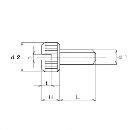
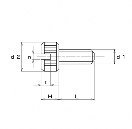
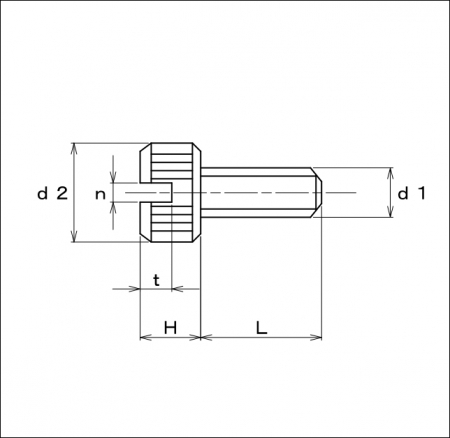
| 特長 | ローレットビスとも呼ばれる円筒形をした頭部を持つ手締めねじです。外周側面にギザギザの滑り止め(縦目ローレット加工)が施してあるため、工具なしで頭部を直接指で摘んで締め付けたり緩めたりする事ができます。また、−(マイナス)ドライバーで回すことの出来るすり割り溝があるので、強く締めすぎたり固着してしまいてでは回せない時でも工具を用いてスマートに緩めることが出来ます。 高級感のある金属製で、すり割り溝は外観に精巧でシャープな印象を与え、製品を引き立てます。黄銅はカドミレスなのでRoHS規制にも対応しています。頻繁に着脱が必要な部材の取り付けや調整ねじとしてまた、家具などの美観的な要求のある場所にもご使用頂けます。 すり割り無しやポリカーボネイト製のローレットねじもリンク先にて販売いたしております。 経済的な樹脂製の化粧手締めねじ、ナイロン化粧ねじもございます。 ※材質などにより形状が異なる場合がございます。 |
|---|