2月1日よりナイロン化粧ねじ(ナット)の割引キャンペーンを実施します!                                    ★★ ねじコンシェル.comは全品 税込 価格です ★★                                    リクエスト商品も受付中です。お気軽にご相談ください。                                    取扱い商品、ドンドン拡充中です。                                    

商品名/型番検索

ショッピングカート

0点の商品が入っています。

合計 0円(税込)

取り扱い商品一覧

タッピングねじ、建物金物

(+)皿木ねじ

材質 鉄(または標準材)、ステンレス、黄銅(真鍮)
表面処理 生地、ユニクロ、クロメート、三価クロメート、三価ブラック、ニッケル
サイズ 1.8~8
規格 -
JIS B1112
-
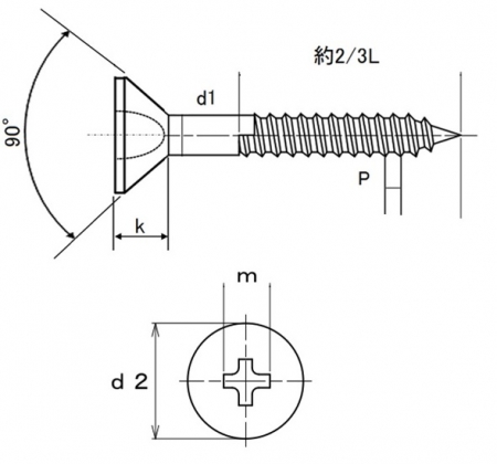
特長 木ねじ(もくねじ)は名前の通り木材同士を締結する為のねじです。頭部が円錐型の皿頭は締結の際に部材に頭部が沈み込むことでねじと部材を面一に仕上げます。硬質材の場合は事前に皿グリ(ザグリ加工)をしておくことで美しく仕上がります。一般に部材の割れや斜めに入ってしまうことを防ぐために、ドリルや錐(きり)を使って木ねじより少し径の小さい(ねじの太さの70%程)の下穴を開けてから使用します。そうすることで作業性が向上し仕上がりも美しくなります。
木ねじの特徴はねじの無い円筒部分があることです。ねじ部は先端側の全長の約2/3程になります。締結時に頭側のねじの切られていない部分では取付け材部分とねじは空回りし、ねじの効いている土台材は引き寄せられて密着することで強く固定されます。
DIYなどで木材同士の組み立てをする際に木ネジは釘に比べてしっかりと木材を固定する事が出来ます。簡単には緩まずドライバーで部材に傷をつけず簡単に外せます。
ねじの呼び径はねじ無し部分の径となります。
皿頭なので、呼び長さに頭部を含みます。

・全国一律送料880円(税込)
※ただし一部寸切商品は1,320円(税込)
・11,000円(税込)以上で送料無料!
※返品について
お客様都合での返品は承りかねます。
返品に関してはこちらよりご確認ください。

・本サイトでの最低取引価格は「税込550円~」となります。
なお、「税込550円未満のご注文」に関しては、
「税込550円」として処理させていただきます。
・問合せ商品は、後日当社からご連絡します。
・小数点以下切り上げです。
※箱単価=1本当たりの価格です。

サイズ 材質 表面処理 十字穴 番号 D1 d2 k m (max.) P - 箱単価 入数 ばら
売り
ばら
単価
税抜
価格
発送目安 数量
(個)
価格
3.5×32 鉄(または標準材) ニッケル 2 3.5 7 2 4.2 1.4 5.38 1000 × - 1営業日 0
3.5×38 鉄(または標準材) ニッケル 2 3.5 7 2 4.2 1.4 6.98 800 × - 問合せ 0
3.8×13 鉄(または標準材) ニッケル 2 3.8 7.6 2.15 4.5 1.6 4.77 1800 × - 問合せ 0
3.8×16 鉄(または標準材) ニッケル 2 3.8 7.6 2.15 4.5 1.6 4.04 1400 × - 1営業日 0
3.8×20 鉄(または標準材) ニッケル 2 3.8 7.6 2.15 4.5 1.6 4.46 1000 × - 1営業日 0
3.8×25 鉄(または標準材) ニッケル 2 3.8 7.6 2.15 4.5 1.6 4.99 800 × - 1営業日 0
3.8×32 鉄(または標準材) ニッケル 2 3.8 7.6 2.15 4.5 1.6 6.01 1000 × - 1営業日 0
3.8×38 鉄(または標準材) ニッケル 2 3.8 7.6 2.15 4.5 1.6 7.34 800 × - 1営業日 0
サイズ 材質 表面処理 十字穴 番号 D1 d2 k m (max.) P - 箱単価 入数 ばら
売り
ばら
単価
税抜
価格
発送目安 数量
(個)
価格
3.8×45 鉄(または標準材) ニッケル 2 3.8 7.6 2.15 4.5 1.6 9.23 600 × - 1営業日 0
4.1×16 鉄(または標準材) ニッケル 2 4.1 8.2 2.35 4.8 1.8 5.25 2000 × - 1営業日 0
4.1×20 鉄(または標準材) ニッケル 2 4.1 8.2 2.35 4.8 1.8 5.53 1500 × - 1営業日 0
4.1×22 鉄(または標準材) ニッケル 2 4.1 8.2 2.35 4.8 1.8 5.80 1500 × - 問合せ 0
4.1×25 鉄(または標準材) ニッケル 2 4.1 8.2 2.35 4.8 1.8 6.19 1200 × - 1営業日 0
4.1×38 鉄(または標準材) ニッケル 2 4.1 8.2 2.35 4.8 1.8 8.50 600 × - 1営業日 0
5.1×50 鉄(または標準材) ニッケル 3 5.1 10.2 2.85 6.4 2.2 17.00 300 × - 1営業日 0
5.1×56 鉄(または標準材) ニッケル 3 5.1 10.2 2.85 6.4 2.2 21.59 200 × - 1営業日 0
サイズ 材質 表面処理 十字穴 番号 D1 d2 k m (max.) P - 箱単価 入数 ばら
売り
ばら
単価
税抜
価格
発送目安 数量
(個)
価格
5.1×63 鉄(または標準材) ニッケル 3 5.1 10.2 2.85 6.4 2.2 24.38 200 × - 1営業日 0
5.8×25 鉄(または標準材) ニッケル 3 5.8 11.6 3.2 7 2.6 20.74 700 × - 1営業日 0
5.8×32 鉄(または標準材) ニッケル 3 5.8 11.6 3.2 7 2.6 20.74 500 × - 問合せ 0
2.1×6.3 ステンレス 生地 1 2.1 4.2 1.25 2.5 1.0 1.79 1000 × - 1営業日 0
2.1×10 ステンレス 生地 1 2.1 4.2 1.25 2.5 1.0 1.75 1000 × - 1営業日 0
2.1×13 ステンレス 生地 1 2.1 4.2 1.25 2.5 1.0 2.18 1000 × - 1営業日 0
2.4×10 ステンレス 生地 1 2.4 4.8 1.4 2.7 1.1 2.16 1000 × - 1営業日 0
2.4×13 ステンレス 生地 1 2.4 4.8 1.4 2.7 1.1 2.27 1000 × - 1営業日 0

この商品を購入した方におすすめ

・全国一律送料880円(税込)
※ただし一部寸切商品は1,320円(税込)
・11,000円(税込)以上で送料無料!
※返品について
商品到着後、5日以内に着払いでご返品ください。

・本サイトでの最低取引価格は「税込550円~」となります。
なお、「税込550円未満のご注文」に関しては、
「税込550円」として処理させていただきます。
・お問合せ商品は、後日当社からご連絡します。
・小数点以下切り上げです。
※箱単価=1本当たりの価格です。

▲ページのトップに戻る