

| 材質 | 鉄(または標準材)、ステンレス、黄銅(真鍮) |
|---|---|
| 表面処理 | 生地、ユニクロ、クロメート、三価クロメート、三価ブラック、ニッケル |
| サイズ | 1.8~8 |
| 規格 | - JIS B1112 - |
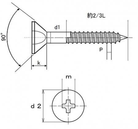
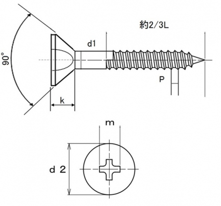
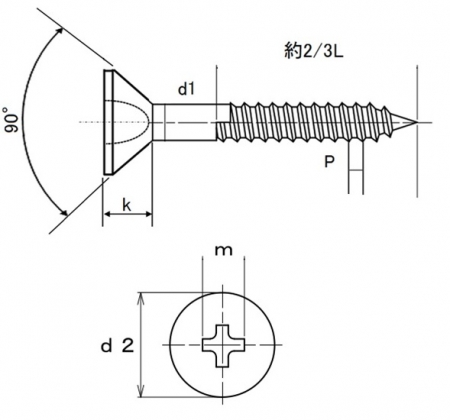
| 特長 | 木ねじ(もくねじ)は名前の通り木材同士を締結する為のねじです。頭部が円錐型の皿頭は締結の際に部材に頭部が沈み込むことでねじと部材を面一に仕上げます。硬質材の場合は事前に皿グリ(ザグリ加工)をしておくことで美しく仕上がります。一般に部材の割れや斜めに入ってしまうことを防ぐために、ドリルや錐(きり)を使って木ねじより少し径の小さい(ねじの太さの70%程)の下穴を開けてから使用します。そうすることで作業性が向上し仕上がりも美しくなります。 木ねじの特徴はねじの無い円筒部分があることです。ねじ部は先端側の全長の約2/3程になります。締結時に頭側のねじの切られていない部分では取付け材部分とねじは空回りし、ねじの効いている土台材は引き寄せられて密着することで強く固定されます。 DIYなどで木材同士の組み立てをする際に木ネジは釘に比べてしっかりと木材を固定する事が出来ます。簡単には緩まずドライバーで部材に傷をつけず簡単に外せます。 ねじの呼び径はねじ無し部分の径となります。 皿頭なので、呼び長さに頭部を含みます。 |
|---|