10月1日よりペタルファスナーの割引キャンペーンを実施します!                                    ★★ ねじコンシェル.comは全品 税込 価格です ★★                                    リクエスト商品も受付中です。お気軽にご相談ください。                                    取扱い商品、ドンドン拡充中です。                                    

商品名/型番検索

ショッピングカート

0点の商品が入っています。

合計 0円(税込)

取り扱い商品一覧

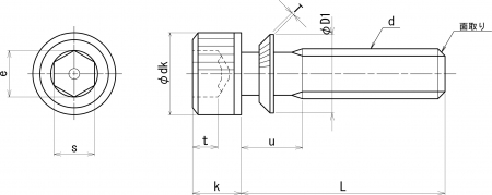
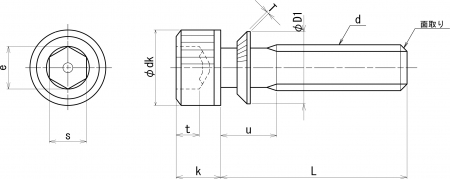
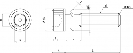
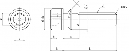
六角穴付、座金組込みねじ、

NHセフティソケット

材質 10.9、12.9
表面処理 生地(黒色)
サイズ M3~M10
規格 -
-
-
カタログPDFはこちら
特長 セムスと呼ばれる座金が組み込まれた六角穴付ボルトです。通常の平座金・スプリングワッシャーとは異なるギザ付皿ばね座金高強度六角穴付ボルトに組み込んでいます。ボルト本体と同時に熱処理することにより、ギザ付皿ばね座金も強くなっています(12.9の場合で43〜47HRC)。座金が六角穴付ボルトと共まわりせず座面摩擦が低減され、トルク係数が小さく安定します。ばね作用(反力)が大きくボルトの軸力が十分維持されます。放射状(半径方向)の凸ギザがある為相手材にしっかり食い込み、従来のばね座金のようなすべりを原因とした傷を被締結材につける心配はありません。一つの部品として取り扱えるので座金組み込みの手間と時間が省け、組み忘れも無くなり、作業効率が向上します。ギザ付皿ばね座金組込キャップ、キャップセムスとも呼ばれます。
※材質欄の10.9と12.9は引張強度となります。
【注意!】12.9強度の製品については遅れ破壊が起こりますので、電解めっきは行わないようお願い致します。

・全国一律送料880円(税込)
※ただし一部寸切商品は1,320円(税込)
・11,000円(税込)以上で送料無料!
※返品について
お客様都合での返品は承りかねます。
返品に関してはこちらよりご確認ください。

・本サイトでの最低取引価格は「税込550円~」となります。
なお、「税込550円未満のご注文」に関しては、
「税込550円」として処理させていただきます。
・問合せ商品は、後日当社からご連絡します。
・小数点以下切り上げです。
※箱単価=1本当たりの価格です。

サイズ 材質 表面処理 ピッチ d2 (基準) k (最大) s (呼び) t (最小) D1 (約) T (約) 箱単価 入数 ばら
売り
ばら
単価
税抜
価格
発送目安 数量
(個)
価格
M3×6 12.9 生地(黒色) 0.5 5.5 3 2.5 1.3 5.5 0.5 20.74 1000 41.47 1営業日 0
M3×8 12.9 生地(黒色) 0.5 5.5 3 2.5 1.3 5.5 0.5 18.62 1000 37.23 1営業日 0
M3×10 12.9 生地(黒色) 0.5 5.5 3 2.5 1.3 5.5 0.5 18.67 1000 37.34 1営業日 0
M3×12 12.9 生地(黒色) 0.5 5.5 3 2.5 1.3 5.5 0.5 18.67 1000 37.34 1営業日 0
M3×14 12.9 生地(黒色) 0.5 5.5 3 2.5 1.3 5.5 0.5 20.20 1000 40.40 1営業日 0
M3×15 12.9 生地(黒色) 0.5 5.5 3 2.5 1.3 5.5 0.5 19.90 1000 39.80 1営業日 0
M3×16 12.9 生地(黒色) 0.5 5.5 3 2.5 1.3 5.5 0.5 19.90 1000 39.80 1営業日 0
M3×18 12.9 生地(黒色) 0.5 5.5 3 2.5 1.3 5.5 0.5 20.55 1000 41.10 1営業日 0
サイズ 材質 表面処理 ピッチ d2 (基準) k (最大) s (呼び) t (最小) D1 (約) T (約) 箱単価 入数 ばら
売り
ばら
単価
税抜
価格
発送目安 数量
(個)
価格
M3×20 12.9 生地(黒色) 0.5 5.5 3 2.5 1.3 5.5 0.5 21.30 1000 42.60 1営業日 0
M3×25 12.9 生地(黒色) 0.5 5.5 3 2.5 1.3 5.5 0.5 28.70 500 57.40 1営業日 0
M4×6 12.9 生地(黒色) 0.7 7 4 3 2 7 0.6 20.35 1000 40.70 1営業日 0
M4×8 12.9 生地(黒色) 0.7 7 4 3 2 7 0.6 17.52 1000 35.03 1営業日 0
M4×10 12.9 生地(黒色) 0.7 7 4 3 2 7 0.6 17.48 1000 34.96 1営業日 0
M4×12 12.9 生地(黒色) 0.7 7 4 3 2 7 0.6 17.48 1000 34.96 1営業日 0
M4×14 12.9 生地(黒色) 0.7 7 4 3 2 7 0.6 18.47 1000 36.94 1営業日 0
M4×15 12.9 生地(黒色) 0.7 7 4 3 2 7 0.6 18.19 1000 36.37 1営業日 0
サイズ 材質 表面処理 ピッチ d2 (基準) k (最大) s (呼び) t (最小) D1 (約) T (約) 箱単価 入数 ばら
売り
ばら
単価
税抜
価格
発送目安 数量
(個)
価格
M4×16 12.9 生地(黒色) 0.7 7 4 3 2 7 0.6 18.19 1000 36.37 1営業日 0
M4×18 12.9 生地(黒色) 0.7 7 4 3 2 7 0.6 19.91 500 39.82 1営業日 0
M4×20 12.9 生地(黒色) 0.7 7 4 3 2 7 0.6 19.65 500 39.30 1営業日 0
M4×25 12.9 生地(黒色) 0.7 7 4 3 2 7 0.6 21.59 500 43.17 1営業日 0
M5×8 12.9 生地(黒色) 0.8 8.5 5 4 2.5 8.5 0.7 19.12 500 38.24 1営業日 0
M5×10 12.9 生地(黒色) 0.8 8.5 5 4 2.5 8.5 0.7 17.80 500 35.60 1営業日 0
M5×12 12.9 生地(黒色) 0.8 8.5 5 4 2.5 8.5 0.7 18.68 400 37.36 1営業日 0
M5×14 12.9 生地(黒色) 0.8 8.5 5 4 2.5 8.5 0.7 19.48 400 38.97 1営業日 0

この商品を購入した方におすすめ

・全国一律送料880円(税込)
※ただし一部寸切商品は1,320円(税込)
・11,000円(税込)以上で送料無料!
※返品について
商品到着後、5日以内に着払いでご返品ください。

・本サイトでの最低取引価格は「税込550円~」となります。
なお、「税込550円未満のご注文」に関しては、
「税込550円」として処理させていただきます。
・お問合せ商品は、後日当社からご連絡します。
・小数点以下切り上げです。
※箱単価=1本当たりの価格です。

▲ページのトップに戻る