



| 材質 | 10.9、12.9 |
|---|---|
| 表面処理 | 生地(黒色) |
| サイズ | M3~M10 |
| 規格 | - - - |
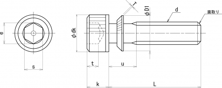
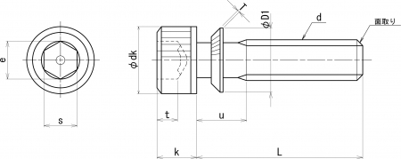
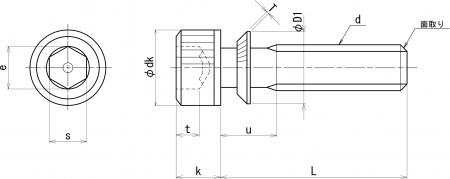
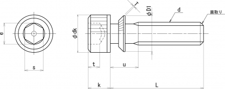
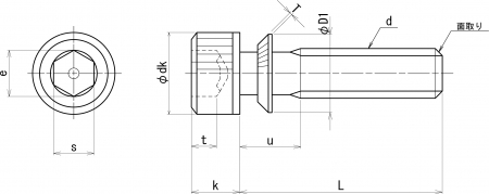
| 特長 | セムスと呼ばれる座金が組み込まれた六角穴付ボルトです。通常の平座金・スプリングワッシャーとは異なるギザ付皿ばね座金を高強度六角穴付ボルトに組み込んでいます。ボルト本体と同時に熱処理することにより、ギザ付皿ばね座金も強くなっています(12.9の場合で43〜47HRC)。座金が六角穴付ボルトと共まわりせず座面摩擦が低減され、トルク係数が小さく安定します。ばね作用(反力)が大きくボルトの軸力が十分維持されます。放射状(半径方向)の凸ギザがある為相手材にしっかり食い込み、従来のばね座金のようなすべりを原因とした傷を被締結材につける心配はありません。一つの部品として取り扱えるので座金組み込みの手間と時間が省け、組み忘れも無くなり、作業効率が向上します。ギザ付皿ばね座金組込キャップ、キャップセムスとも呼ばれます。 ※材質欄の10.9と12.9は引張強度となります。 【注意!】12.9強度の製品については遅れ破壊が起こりますので、電解めっきは行わないようお願い致します。 |
|---|