2月1日よりナイロン化粧ねじ(ナット)の割引キャンペーンを実施します!                                    ★★ ねじコンシェル.comは全品 税込 価格です ★★                                    リクエスト商品も受付中です。お気軽にご相談ください。                                    取扱い商品、ドンドン拡充中です。                                    

商品名/型番検索

ショッピングカート

0点の商品が入っています。

合計 0円(税込)

取り扱い商品一覧

タッピングねじ

(+)A皿 タッピング(1種)

材質 鉄(または標準材)、ステンレス、SUS316L、SUS410、チタン
表面処理 生地、ユニクロ、三価クロメート、三価ブラック、ニッケル
サイズ 2~8
規格 ISO7050
JIS B 1122
-
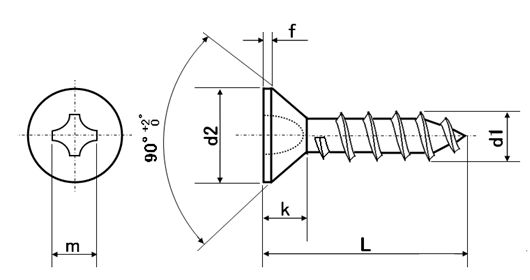
特長 ナットやめねじ立てが不要なセルフタップタッピング機能を備え、タッピングねじまたはタッピンねじ(英Self-tapping screw)といいます。こちらは形状からA皿タッピンやA皿とも呼ばれます。“"は頭部形状に由来しており、頭部を沈めるためには座ぐりが必要です。様々な頭部形状のA形(1種)タッピンねじがあります。
ピッチが荒く先端部が尖っているA形(1種)は最も一般的な形状のタッピンねじです。相手材の下穴にねじ山を塑性変形により成型しながら締結します。締結時に大きな抵抗が掛かる為、電動・エアー工具を使用することが多いです。緩んだ時にも抵抗が大きくねじの脱落を防ぎます。
A型(1種)は1.2舒焚爾稜鋼板やハードボード、木材、石綿などの締結に使用します。先端が太いB0型(2種) は薄鋼板及び5舒焚爾慮板や非金属・樹脂等に使用し、C0型(3種)はより厚板に対応します。先端の1/4をカットしたB1C1切削によりめねじを形成し構造用鋼や鋳物にも使用できます。

ねじ込み抵抗の少ないタップタイトも便利です。

・全国一律送料880円(税込)
※ただし一部寸切商品は1,320円(税込)
・11,000円(税込)以上で送料無料!
※返品について
お客様都合での返品は承りかねます。
返品に関してはこちらよりご確認ください。

・本サイトでの最低取引価格は「税込550円~」となります。
なお、「税込550円未満のご注文」に関しては、
「税込550円」として処理させていただきます。
・問合せ商品は、後日当社からご連絡します。
・小数点以下切り上げです。
※箱単価=1本当たりの価格です。

サイズ 材質 表面処理 d2 k m d1 MAX d1 MIN 十字穴の番号 - 箱単価 入数 ばら
売り
ばら
単価
税抜
価格
発送目安 数量
(個)
価格
4×23 鉄(または標準材) ユニクロ 8 2.3 4.5 4.15 4 2 3.24 800 × - 問合せ 0
4×25 鉄(または標準材) ユニクロ 8 2.3 4.5 4.15 4 2 3.24 700 × - 1営業日 0
4×28 鉄(または標準材) ユニクロ 8 2.3 4.5 4.15 4 2 3.74 600 × - 1営業日 0
4×30 鉄(または標準材) ユニクロ 8 2.3 4.5 4.15 4 2 3.74 600 × - 1営業日 0
4×32 鉄(または標準材) ユニクロ 8 2.3 4.5 4.15 4 2 4.32 500 × - 問合せ 0
4×35 鉄(または標準材) ユニクロ 8 2.3 4.5 4.15 4 2 4.32 500 × - 1営業日 0
4×40 鉄(または標準材) ユニクロ 8 2.3 4.5 4.15 4 2 5.00 600 × - 1営業日 0
4×45 鉄(または標準材) ユニクロ 8 2.3 4.5 4.15 4 2 5.76 500 × - 1営業日 0
サイズ 材質 表面処理 d2 k m d1 MAX d1 MIN 十字穴の番号 - 箱単価 入数 ばら
売り
ばら
単価
税抜
価格
発送目安 数量
(個)
価格
4×50 鉄(または標準材) ユニクロ 8 2.3 4.5 4.15 4 2 6.60 450 × - 1営業日 0
4×55 鉄(または標準材) ユニクロ 8 2.3 4.5 4.15 4 2 8.31 400 × - 1営業日 0
4×60 鉄(または標準材) ユニクロ 8 2.3 4.5 4.15 4 2 9.49 300 × - 1営業日 0
4×65 鉄(または標準材) ユニクロ 8 2.3 4.5 4.15 4 2 10.67 300 × - 1営業日 0
4×70 鉄(または標準材) ユニクロ 8 2.3 4.5 4.15 4 2 12.25 300 × - 1営業日 0
4×75 鉄(または標準材) ユニクロ 8 2.3 4.5 4.15 4 2 13.81 300 × - 1営業日 0
4×80 鉄(または標準材) ユニクロ 8 2.3 4.5 4.15 4 2 15.40 300 × - 1営業日 0
4×85 鉄(または標準材) ユニクロ 8 2.3 4.5 4.15 4 2 16.98 300 × - 1営業日 0
サイズ 材質 表面処理 d2 k m d1 MAX d1 MIN 十字穴の番号 - 箱単価 入数 ばら
売り
ばら
単価
税抜
価格
発送目安 数量
(個)
価格
4×90 鉄(または標準材) ユニクロ 8 2.3 4.5 4.15 4 2 16.98 350 × - 1営業日 0
4×100 鉄(または標準材) ユニクロ 8 2.3 4.5 4.15 4 2 20.52 300 × - 1営業日 0
4.5×10 鉄(または標準材) ユニクロ 9 2.55 4.9 4.65 4.5 2 3.89 1500 × - 1営業日 0
4.5×12 鉄(または標準材) ユニクロ 9 2.55 4.9 4.65 4.5 2 3.57 1300 × - 1営業日 0
4.5×14 鉄(または標準材) ユニクロ 9 2.55 4.9 4.65 4.5 2 3.76 1000 × - 1営業日 0
4.5×16 鉄(または標準材) ユニクロ 9 2.55 4.9 4.65 4.5 2 3.76 1000 × - 1営業日 0
4.5×20 鉄(または標準材) ユニクロ 9 2.55 4.9 4.65 4.5 2 4.22 800 × - 1営業日 0
4.5×25 鉄(または標準材) ユニクロ 9 2.55 4.9 4.65 4.5 2 4.73 600 × - 1営業日 0

この商品を購入した方におすすめ

・全国一律送料880円(税込)
※ただし一部寸切商品は1,320円(税込)
・11,000円(税込)以上で送料無料!
※返品について
商品到着後、5日以内に着払いでご返品ください。

・本サイトでの最低取引価格は「税込550円~」となります。
なお、「税込550円未満のご注文」に関しては、
「税込550円」として処理させていただきます。
・お問合せ商品は、後日当社からご連絡します。
・小数点以下切り上げです。
※箱単価=1本当たりの価格です。

▲ページのトップに戻る