2月1日よりナイロン化粧ねじ(ナット)の割引キャンペーンを実施します!                                    ★★ ねじコンシェル.comは全品 税込 価格です ★★                                    リクエスト商品も受付中です。お気軽にご相談ください。                                    取扱い商品、ドンドン拡充中です。                                    

商品名/型番検索

ショッピングカート

0点の商品が入っています。

合計 0円(税込)

取り扱い商品一覧

タッピングねじ

(+)A皿 タッピング(1種)

材質 鉄(または標準材)、ステンレス、SUS316L、SUS410、チタン
表面処理 生地、ユニクロ、三価クロメート、三価ブラック、ニッケル
サイズ 2~8
規格 ISO7050
JIS B 1122
-
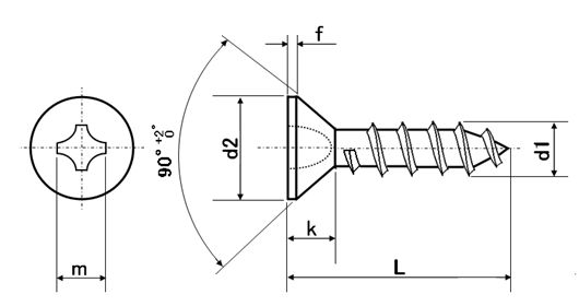
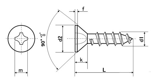
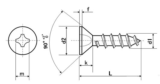
特長 ナットやめねじ立てが不要なセルフタップタッピング機能を備え、タッピングねじまたはタッピンねじ(英Self-tapping screw)といいます。こちらは形状からA皿タッピンやA皿とも呼ばれます。“"は頭部形状に由来しており、頭部を沈めるためには座ぐりが必要です。様々な頭部形状のA形(1種)タッピンねじがあります。
ピッチが荒く先端部が尖っているA形(1種)は最も一般的な形状のタッピンねじです。相手材の下穴にねじ山を塑性変形により成型しながら締結します。締結時に大きな抵抗が掛かる為、電動・エアー工具を使用することが多いです。緩んだ時にも抵抗が大きくねじの脱落を防ぎます。
A型(1種)は1.2舒焚爾稜鋼板やハードボード、木材、石綿などの締結に使用します。先端が太いB0型(2種) は薄鋼板及び5舒焚爾慮板や非金属・樹脂等に使用し、C0型(3種)はより厚板に対応します。先端の1/4をカットしたB1C1切削によりめねじを形成し構造用鋼や鋳物にも使用できます。

ねじ込み抵抗の少ないタップタイトも便利です。

・全国一律送料880円(税込)
※ただし一部寸切商品は1,320円(税込)
・11,000円(税込)以上で送料無料!
※返品について
お客様都合での返品は承りかねます。
返品に関してはこちらよりご確認ください。

・本サイトでの最低取引価格は「税込550円~」となります。
なお、「税込550円未満のご注文」に関しては、
「税込550円」として処理させていただきます。
・問合せ商品は、後日当社からご連絡します。
・小数点以下切り上げです。
※箱単価=1本当たりの価格です。

サイズ 材質 表面処理 d2 k m d1 MAX d1 MIN 十字穴の番号 - 箱単価 入数 ばら
売り
ばら
単価
税抜
価格
発送目安 数量
(個)
価格
5×70 鉄(または標準材) ユニクロ 10 2.8 5.1 5.2 5 2 16.57 200 × - 1営業日 0
5×75 鉄(または標準材) ユニクロ 10 2.8 5.1 5.2 5 2 18.57 200 × - 1営業日 0
5×80 鉄(または標準材) ユニクロ 10 2.8 5.1 5.2 5 2 22.11 200 × - 1営業日 0
5×90 鉄(または標準材) ユニクロ 10 2.8 5.1 5.2 5 2 28.43 250 × - 1営業日 0
5×100 鉄(または標準材) ユニクロ 10 2.8 5.1 5.2 5 2 34.73 250 × - 1営業日 0
6×12 鉄(または標準材) ユニクロ 12 3.4 6.7 6.2 6 3 7.00 600 × - 1営業日 0
6×14 鉄(または標準材) ユニクロ 12 3.4 6.7 6.2 6 3 7.00 500 × - 1営業日 0
6×15 鉄(または標準材) ユニクロ 12 3.4 6.7 6.2 6 3 6.80 500 × - 1営業日 0
サイズ 材質 表面処理 d2 k m d1 MAX d1 MIN 十字穴の番号 - 箱単価 入数 ばら
売り
ばら
単価
税抜
価格
発送目安 数量
(個)
価格
6×16 鉄(または標準材) ユニクロ 12 3.4 6.7 6.2 6 3 6.80 500 × - 1営業日 0
6×18 鉄(または標準材) ユニクロ 12 3.4 6.7 6.2 6 3 7.63 450 × - 1営業日 0
6×20 鉄(または標準材) ユニクロ 12 3.4 6.7 6.2 6 3 7.63 400 × - 1営業日 0
6×25 鉄(または標準材) ユニクロ 12 3.4 6.7 6.2 6 3 8.22 500 × - 1営業日 0
6×30 鉄(または標準材) ユニクロ 12 3.4 6.7 6.2 6 3 9.45 400 × - 1営業日 0
6×35 鉄(または標準材) ユニクロ 12 3.4 6.7 6.2 6 3 10.69 300 × - 1営業日 0
6×40 鉄(または標準材) ユニクロ 12 3.4 6.7 6.2 6 3 12.32 300 × - 1営業日 0
6×45 鉄(または標準材) ユニクロ 12 3.4 6.7 6.2 6 3 13.96 250 × - 1営業日 0
サイズ 材質 表面処理 d2 k m d1 MAX d1 MIN 十字穴の番号 - 箱単価 入数 ばら
売り
ばら
単価
税抜
価格
発送目安 数量
(個)
価格
6×50 鉄(または標準材) ユニクロ 12 3.4 6.7 6.2 6 3 15.56 200 × - 1営業日 0
6×55 鉄(または標準材) ユニクロ 12 3.4 6.7 6.2 6 3 16.93 200 × - 1営業日 0
6×60 鉄(または標準材) ユニクロ 12 3.4 6.7 6.2 6 3 18.75 180 × - 1営業日 0
6×65 鉄(または標準材) ユニクロ 12 3.4 6.7 6.2 6 3 20.70 150 × - 1営業日 0
6×70 鉄(または標準材) ユニクロ 12 3.4 6.7 6.2 6 3 22.73 120 × - 1営業日 0
6×75 鉄(または標準材) ユニクロ 12 3.4 6.7 6.2 6 3 24.70 200 × - 1営業日 0
6×80 鉄(または標準材) ユニクロ 12 3.4 6.7 6.2 6 3 28.68 200 × - 1営業日 0
6×90 鉄(または標準材) ユニクロ 12 3.4 6.7 6.2 6 3 34.24 170 × - 1営業日 0

この商品を購入した方におすすめ

・全国一律送料880円(税込)
※ただし一部寸切商品は1,320円(税込)
・11,000円(税込)以上で送料無料!
※返品について
商品到着後、5日以内に着払いでご返品ください。

・本サイトでの最低取引価格は「税込550円~」となります。
なお、「税込550円未満のご注文」に関しては、
「税込550円」として処理させていただきます。
・お問合せ商品は、後日当社からご連絡します。
・小数点以下切り上げです。
※箱単価=1本当たりの価格です。

▲ページのトップに戻る