2月1日よりナイロン化粧ねじ(ナット)の割引キャンペーンを実施します!                                    ★★ ねじコンシェル.comは全品 税込 価格です ★★                                    リクエスト商品も受付中です。お気軽にご相談ください。                                    取扱い商品、ドンドン拡充中です。                                    

商品名/型番検索

ショッピングカート

0点の商品が入っています。

合計 0円(税込)

取り扱い商品一覧

タッピングねじ、建物金物

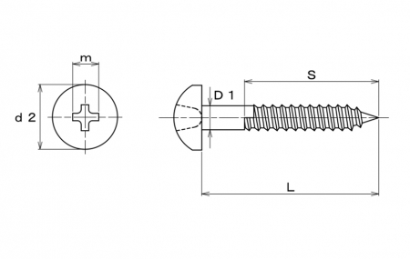
(+)丸木ねじ

材質 鉄(または標準材)、ステンレス、黄銅(真鍮)
表面処理 生地、ユニクロ、三価クロメート、三価ブラック、ニッケル
サイズ 2.1~8
規格 -
JIS B1112
-
特長 名前の通り、木ねじ(もくねじ)は木材同士を締結するために使用します。こちらは丸みを帯びた頭部形状で着座面は平ら、取付け材が薄くザグリ加工できない場合に使用されます。ワッシャー(座金)使用により着座面が増えることでしっかりと締め付けできます。ドリルや錐(きり)を使って木ねじより少し径の小さい(ねじの太さの70%程)の下穴を開けてから使用するなら、部材の割れや斜めに入ってしまうことを避けることが出来ます。作業効率が上がり仕上がりも美しくなります。
ねじ部が刻まれているのは先端側の全長約2/3にで、ねじの無い円筒部分があることが木ねじの特徴です。このねじ無し部分が重要な役割を果たします。締結時にねじの効いている土台材は頭部へ引き寄せられますが、頭側のねじの切られていない部分では取付け材部分とねじは空回りします。その為に取付材と土台材が密着でき強く固定されます。
木ネジはドライバーで簡単にしっかりと木材を固定でき簡単には緩まず、釘とは異なり部材に傷をつけず簡単に外せます。
ねじの呼び径はねじ無し部分の径となります。

・全国一律送料880円(税込)
※ただし一部寸切商品は1,320円(税込)
・11,000円(税込)以上で送料無料!
※返品について
お客様都合での返品は承りかねます。
返品に関してはこちらよりご確認ください。

・本サイトでの最低取引価格は「税込550円~」となります。
なお、「税込550円未満のご注文」に関しては、
「税込550円」として処理させていただきます。
・問合せ商品は、後日当社からご連絡します。
・小数点以下切り上げです。
※箱単価=1本当たりの価格です。

サイズ 材質 表面処理 十字穴番号 D1 d2 m - - - 箱単価 入数 ばら
売り
ばら
単価
税抜
価格
発送目安 数量
(個)
価格
5.1×75 鉄(または標準材) ユニクロ 3 5.1 9.4 5.9 22.52 200 × - 1営業日 0
5.8×25 鉄(または標準材) ユニクロ 3 5.8 10.7 6.3 15.75 600 × - 1営業日 0
5.8×32 鉄(または標準材) ユニクロ 3 5.8 10.7 6.3 15.75 500 × - 1営業日 0
5.8×38 鉄(または標準材) ユニクロ 3 5.8 10.7 6.3 15.90 400 × - 1営業日 0
5.8×45 鉄(または標準材) ユニクロ 3 5.8 10.7 6.3 18.52 300 × - 1営業日 0
5.8×50 鉄(または標準材) ユニクロ 3 5.8 10.7 6.3 19.77 300 × - 1営業日 0
5.8×63 鉄(または標準材) ユニクロ 3 5.8 10.7 6.3 24.33 200 × - 問合せ 0
5.8×75 鉄(または標準材) ユニクロ 3 5.8 10.7 6.3 31.05 150 × - 1営業日 0
サイズ 材質 表面処理 十字穴番号 D1 d2 m - - - 箱単価 入数 ばら
売り
ばら
単価
税抜
価格
発送目安 数量
(個)
価格
6.2×25 鉄(または標準材) ユニクロ 3 6.2 11.5 6.6 19.05 600 × - 1営業日 0
6.2×32 鉄(または標準材) ユニクロ 3 6.2 11.5 6.6 19.05 400 × - 1営業日 0
6.2×38 鉄(または標準材) ユニクロ 3 6.2 11.5 6.6 18.52 400 × - 問合せ 0
6.2×45 鉄(または標準材) ユニクロ 3 6.2 11.5 6.6 20.63 300 × - 問合せ 0
6.2×50 鉄(または標準材) ユニクロ 3 6.2 11.5 6.6 22.27 250 × - 1営業日 0
6.2×63 鉄(または標準材) ユニクロ 3 6.2 11.5 6.6 27.66 200 × - 1営業日 0
8×32 鉄(または標準材) ユニクロ 4 8 14.8 8.7 39.98 200 × - 1営業日 0
8×38 鉄(または標準材) ユニクロ 4 8 14.8 8.7 40.30 200 × - 1営業日 0
サイズ 材質 表面処理 十字穴番号 D1 d2 m - - - 箱単価 入数 ばら
売り
ばら
単価
税抜
価格
発送目安 数量
(個)
価格
8×45 鉄(または標準材) ユニクロ 4 8 14.8 8.7 45.30 150 × - 1営業日 0
8×50 鉄(または標準材) ユニクロ 4 8 14.8 8.7 50.30 150 × - 1営業日 0
8×63 鉄(または標準材) ユニクロ 4 8 14.8 8.7 60.50 120 × - 1営業日 0
8×75 鉄(または標準材) ユニクロ 4 8 14.8 8.7 73.31 100 × - 1営業日 0
2.1×6.3 鉄(または標準材) 三価クロメート 1 2.1 3.9 2.5 1.92 2000 × - 1営業日 0
2.1×8 鉄(または標準材) 三価クロメート 1 2.1 3.9 2.5 1.92 2000 × - 1営業日 0
2.1×10 鉄(または標準材) 三価クロメート 1 2.1 3.9 2.5 1.69 2000 × - 問合せ 0
2.1×13 鉄(または標準材) 三価クロメート 1 2.1 3.9 2.5 2.20 2000 × - 1営業日 0

この商品を購入した方におすすめ

・全国一律送料880円(税込)
※ただし一部寸切商品は1,320円(税込)
・11,000円(税込)以上で送料無料!
※返品について
商品到着後、5日以内に着払いでご返品ください。

・本サイトでの最低取引価格は「税込550円~」となります。
なお、「税込550円未満のご注文」に関しては、
「税込550円」として処理させていただきます。
・お問合せ商品は、後日当社からご連絡します。
・小数点以下切り上げです。
※箱単価=1本当たりの価格です。

▲ページのトップに戻る