

| 材質 | 鉄(または標準材)、ステンレス、黄銅(真鍮) |
|---|---|
| 表面処理 | 生地、ユニクロ、三価クロメート、三価ブラック、ニッケル |
| サイズ | 2.1~8 |
| 規格 | - - - |
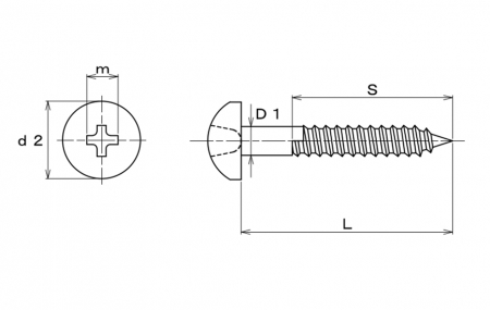
| 特長 | 名前の通り、木ねじ(もくねじ)は木材同士を締結するために使用します。こちらは丸みを帯びた頭部形状で着座面は平ら、取付け材が薄くザグリ加工できない場合に使用されます。ワッシャー(座金)使用により着座面が増えることでしっかりと締め付けできます。ドリルや錐(きり)を使って木ねじより少し径の小さい(ねじの太さの70%程)の下穴を開けてから使用するなら、部材の割れや斜めに入ってしまうことを避けることが出来ます。作業効率が上がり仕上がりも美しくなります。 ねじ部が刻まれているのは先端側の全長約2/3にで、ねじの無い円筒部分があることが木ねじの特徴です。このねじ無し部分が重要な役割を果たします。締結時にねじの効いている土台材は頭部へ引き寄せられますが、頭側のねじの切られていない部分では取付け材部分とねじは空回りします。その為に取付材と土台材が密着でき強く固定されます。 木ネジはドライバーで簡単にしっかりと木材を固定でき簡単には緩まず、釘とは異なり部材に傷をつけず簡単に外せます。 ねじの呼び径はねじ無し部分の径となります。 |
|---|