2月1日よりナイロン化粧ねじ(ナット)の割引キャンペーンを実施します!                                    ★★ ねじコンシェル.comは全品 税込 価格です ★★                                    リクエスト商品も受付中です。お気軽にご相談ください。                                    取扱い商品、ドンドン拡充中です。                                    

商品名/型番検索

ショッピングカート

0点の商品が入っています。

合計 0円(税込)

取り扱い商品一覧

小ねじ・マイクロねじ、パック商品

(+)皿小ねじ 0番1種 - 袋入り

材質 鉄(または標準材)、ステンレス、黄銅(真鍮)
表面処理 生地、三価クロメート、三価ブラック、ニッケル、黒亜鉛
サイズ M1.4~M2.6
規格 -
-
-
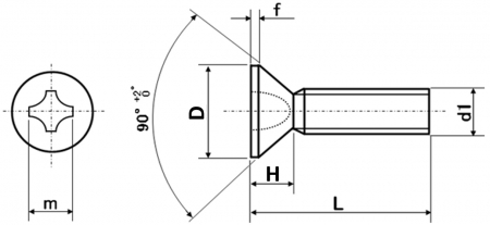
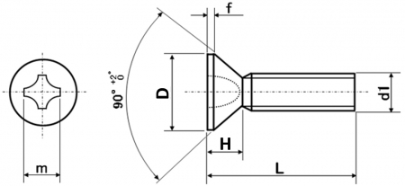
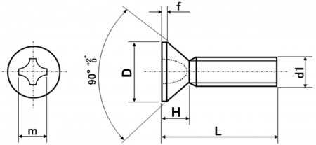
特長 マイクロねじと呼ばれる日本写真機工業規格(JCIS)「精密機器用十字穴付き小ねじ」に基づく皿ねじです。眼鏡ビス、精密ねじ、カメラネジ、0番皿小ねじとも呼びます。小型化や高密度化、軽量化を目的にカメラやメガネはもちろん、PC・スマホ等の小型精密機器や電子機器の狭所、精密箇所に使われます。ザグリ加工が必要ですがフラットに仕上がります。
「0番」は駆動溝(リセス)がJIS規格十字穴(プラス穴)の#0(ゼロ番)であることを指します。0番皿小ねじは頭部サイズの異なる「1種」と「3種」が存在し、1種の方がより小さくJIS皿頭との比較で頭部高が50%程、3種では75%程です。頭部のテーパー角は90°、ピッチはメートル並目です。皿頭は他と異なりねじ長さに頭部を含めます。
こちらは小袋(鉄製1000本入、ステンレス製100本入)での販売です。ご入用が少量の場合に小箱より手軽にお買い求めいただけます。また使い残したねじの管理の手間や廃棄を抑えるので“エコ”です。

ねじコンシェルでは多種多様な0番小ねじを扱っております。

・全国一律送料880円(税込)
※ただし一部寸切商品は1,320円(税込)
・11,000円(税込)以上で送料無料!
※返品について
お客様都合での返品は承りかねます。
返品に関してはこちらよりご確認ください。

・本サイトでの最低取引価格は「税込550円~」となります。
なお、「税込550円未満のご注文」に関しては、
「税込550円」として処理させていただきます。
・問合せ商品は、後日当社からご連絡します。
・小数点以下切り上げです。
※箱単価=1本当たりの価格です。

サイズ 材質 表面処理 D(基準) H(基準) m(参考) - - - - 箱単価 入数 ばら
売り
ばら
単価
税抜
価格
発送目安 数量
(個)
価格
M2.0×8 鉄(または標準材) 三価ブラック 3 0.6 2 3.48 1000 × - 1営業日 0
M2.0×10 鉄(または標準材) 三価ブラック 3 0.6 2 3.48 1000 × - 1営業日 0
M2.6×3 鉄(または標準材) 三価ブラック 4 0.8 2.2 3.48 1000 × - 1営業日 0
M2.6×4 鉄(または標準材) 三価ブラック 4 0.8 2.2 3.48 1000 × - 1営業日 0
M2.6×5 鉄(または標準材) 三価ブラック 4 0.8 2.2 3.48 1000 × - 問合せ 0
M2.6×6 鉄(または標準材) 三価ブラック 4 0.8 2.2 3.48 1000 × - 1営業日 0
M2.6×8 鉄(または標準材) 三価ブラック 4 0.8 2.2 3.48 1000 × - 1営業日 0
M1.4×1.5 鉄(または標準材) ニッケル 2 0.45 1.55 1.98 1000 × - 1営業日 0
サイズ 材質 表面処理 D(基準) H(基準) m(参考) - - - - 箱単価 入数 ばら
売り
ばら
単価
税抜
価格
発送目安 数量
(個)
価格
M1.4×1.8 鉄(または標準材) ニッケル 2 0.45 1.55 1.98 1000 × - 1営業日 0
M1.4×2 鉄(または標準材) ニッケル 2 0.45 1.55 1.98 1000 × - 1営業日 0
M1.4×2.5 鉄(または標準材) ニッケル 2 0.45 1.55 1.98 1000 × - 1営業日 0
M1.4×3 鉄(または標準材) ニッケル 2 0.45 1.55 1.98 1000 × - 問合せ 0
M1.4×4 鉄(または標準材) ニッケル 2 0.45 1.55 1.98 1000 × - 1営業日 0
M1.4×5 鉄(または標準材) ニッケル 2 0.45 1.55 1.98 1000 × - 1営業日 0
M1.4×6 鉄(または標準材) ニッケル 2 0.45 1.55 1.98 1000 × - 1営業日 0
M1.4×8 鉄(または標準材) ニッケル 2 0.45 1.55 1.98 1000 × - 1営業日 0
サイズ 材質 表面処理 D(基準) H(基準) m(参考) - - - - 箱単価 入数 ばら
売り
ばら
単価
税抜
価格
発送目安 数量
(個)
価格
M1.4×10 鉄(または標準材) ニッケル 2 0.45 1.55 1.98 1000 × - 問合せ 0
M1.6×2 鉄(または標準材) ニッケル 2.4 0.5 1.65 1.98 1000 × - 1営業日 0
M1.6×3 鉄(または標準材) ニッケル 2.4 0.5 1.65 1.98 1000 × - 1営業日 0
M1.6×5 鉄(または標準材) ニッケル 2.4 0.5 1.65 1.98 1000 × - 1営業日 0
M1.6×6 鉄(または標準材) ニッケル 2.4 0.5 1.65 1.98 1000 × - 1営業日 0
M1.6×8 鉄(または標準材) ニッケル 2.4 0.5 1.65 1.98 1000 × - 1営業日 0
M1.7×1.8 鉄(または標準材) ニッケル 2.5 0.5 1.7 1.98 1000 × - 1営業日 0
M1.7×2 鉄(または標準材) ニッケル 2.5 0.5 1.7 1.98 1000 × - 1営業日 0

この商品を購入した方におすすめ

・全国一律送料880円(税込)
※ただし一部寸切商品は1,320円(税込)
・11,000円(税込)以上で送料無料!
※返品について
商品到着後、5日以内に着払いでご返品ください。

・本サイトでの最低取引価格は「税込550円~」となります。
なお、「税込550円未満のご注文」に関しては、
「税込550円」として処理させていただきます。
・お問合せ商品は、後日当社からご連絡します。
・小数点以下切り上げです。
※箱単価=1本当たりの価格です。

▲ページのトップに戻る