

| 材質 | ステンレス、SUS316L、チタン |
|---|---|
| 表面処理 | 生地 |
| サイズ | M2~M16 |
| 規格 | - - - |
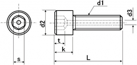
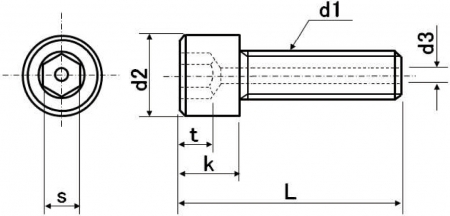
| 特長 | 軸方向の貫通穴(ガス抜き穴)を持つガス穴付六角穴付ボルトです。全ねじタイプとなります。FPD(フラットパネルディスプレー)製造装置、半導体製造装置、真空装置、真空容器、電子顕微鏡などで真空引きをサポートします。ねじ穴先端部にガスが滞留せずに目標圧力まで早く到達し「バーチャルリーク」を除去します。 パッキン等からの外部の気体・ガスの侵入(漏れ・リーク)とは別に、締結時にねじ穴先端に溜まったガスが減圧されて僅かずつねじ山の隙間を通って漏れ出てくることを「バーチャルリーク(仮想漏れ)」と呼びます。目標圧力まで下がるのに時間がかかる、真空ポンプ停止後に時間と共に真空度が幾らか下がる(圧が上がる)といった現象が生じます。気体の気圧と体積の間には、温度・質量が一定の場合(気圧P)と(体積V)の積PV=(一定)が成り立つことが知られています(ボイルの法則)。大気圧(約1013hPa)から低真空(100Pa程度)に減圧した場合気圧は約1/1000となる為、気体の体積は約1000倍となります。わずかなガスの滞留が大きな影響を及ぼすのはこのためです。 |
|---|