2月1日よりナイロン化粧ねじ(ナット)の割引キャンペーンを実施します!                                    ★★ ねじコンシェル.comは全品 税込 価格です ★★                                    リクエスト商品も受付中です。お気軽にご相談ください。                                    取扱い商品、ドンドン拡充中です。                                    

商品名/型番検索

ショッピングカート

0点の商品が入っています。

合計 0円(税込)

取り扱い商品一覧

六角穴付、機械部品・工具

六角穴付ボルト 全ねじ(ガス穴付)

材質 ステンレス、SUS316L、チタン
表面処理 生地
サイズ M2~M16
規格 -
-
-
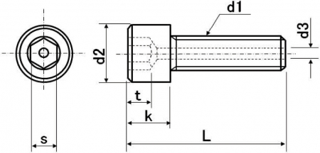
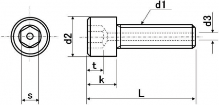
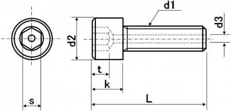
特長 軸方向の貫通穴(ガス抜き穴)を持つガス穴付六角穴付ボルトです。全ねじタイプとなります。FPD(フラットパネルディスプレー)製造装置、半導体製造装置、真空装置、真空容器、電子顕微鏡などで真空引きをサポートします。ねじ穴先端部にガスが滞留せずに目標圧力まで早く到達し「バーチャルリーク」を除去します。

パッキン等からの外部の気体・ガスの侵入(漏れ・リーク)とは別に、締結時にねじ穴先端に溜まったガスが減圧されて僅かずつねじ山の隙間を通って漏れ出てくることを「バーチャルリーク(仮想漏れ)」と呼びます。目標圧力まで下がるのに時間がかかる、真空ポンプ停止後に時間と共に真空度が幾らか下がる(圧が上がる)といった現象が生じます。気体の気圧と体積の間には、温度・質量が一定の場合(気圧P)と(体積V)の積PV=(一定)が成り立つことが知られています(ボイルの法則)。大気圧(約1013hPa)から低真空(100Pa程度)に減圧した場合気圧は約1/1000となる為、気体の体積は約1000倍となります。わずかなガスの滞留が大きな影響を及ぼすのはこのためです。

・全国一律送料880円(税込)
※ただし一部寸切商品は1,320円(税込)
・11,000円(税込)以上で送料無料!
※返品について
お客様都合での返品は承りかねます。
返品に関してはこちらよりご確認ください。

・本サイトでの最低取引価格は「税込550円~」となります。
なお、「税込550円未満のご注文」に関しては、
「税込550円」として処理させていただきます。
・問合せ商品は、後日当社からご連絡します。
・小数点以下切り上げです。
※箱単価=1本当たりの価格です。

サイズ 材質 表面処理 d2 s k d3 - - - 箱単価 入数 ばら
売り
ばら
単価
税抜
価格
発送目安 数量
(個)
価格
M3×12 SUS316L 生地 5.5 2.5 3 1.5 265.98 200 × - 問合せ 0
M3×15 SUS316L 生地 5.5 2.5 3 1.5 328.02 200 × - 問合せ 0
M4×5 SUS316L 生地 7 3 4 1.5 218.46 200 × - 問合せ 0
M4×6 SUS316L 生地 7 3 4 1.5 223.74 200 × - 問合せ 0
M4×8 SUS316L 生地 7 3 4 1.5 226.38 200 × - 問合せ 0
M4×10 SUS316L 生地 7 3 4 1.5 243.54 200 × - 問合せ 0
M4×12 SUS316L 生地 7 3 4 1.5 252.12 200 × - 問合せ 0
M4×15 SUS316L 生地 7 3 4 1.5 280.50 200 × - 問合せ 0
サイズ 材質 表面処理 d2 s k d3 - - - 箱単価 入数 ばら
売り
ばら
単価
税抜
価格
発送目安 数量
(個)
価格
M4×20 SUS316L 生地 7 3 4 1.5 356.40 200 × - 問合せ 0
M5×10 SUS316L 生地 8.5 4 5 1.5 243.54 200 × - 問合せ 0
M5×12 SUS316L 生地 8.5 4 5 1.5 252.12 200 × - 問合せ 0
M5×15 SUS316L 生地 8.5 4 5 1.5 283.14 200 × - 問合せ 0
M5×20 SUS316L 生地 8.5 4 5 1.5 356.40 200 × - 問合せ 0
M5×25 SUS316L 生地 8.5 4 5 1.5 427.02 100 × - 問合せ 0
M6×10 SUS316L 生地 10 5 6 2 240.90 200 × - 問合せ 0
M6×12 SUS316L 生地 10 5 6 2 252.78 200 × - 問合せ 0
サイズ 材質 表面処理 d2 s k d3 - - - 箱単価 入数 ばら
売り
ばら
単価
税抜
価格
発送目安 数量
(個)
価格
M6×15 SUS316L 生地 10 5 6 2 266.64 200 × - 問合せ 0
M6×20 SUS316L 生地 10 5 6 2 331.32 200 × - 問合せ 0
M6×25 SUS316L 生地 10 5 6 2 452.76 100 × - 問合せ 0
M8×15 SUS316L 生地 13 6 8 2 301.62 100 × - 問合せ 0
M8×16 SUS316L 生地 13 6 8 2 307.56 100 × - 問合せ 0
M8×20 SUS316L 生地 13 6 8 2 361.02 100 × - 問合せ 0
M8×25 SUS316L 生地 13 6 8 2 481.80 80 × - 問合せ 0
M10×15 SUS316L 生地 16 8 10 2 369.60 50 × - 問合せ 0

この商品を購入した方におすすめ

・全国一律送料880円(税込)
※ただし一部寸切商品は1,320円(税込)
・11,000円(税込)以上で送料無料!
※返品について
商品到着後、5日以内に着払いでご返品ください。

・本サイトでの最低取引価格は「税込550円~」となります。
なお、「税込550円未満のご注文」に関しては、
「税込550円」として処理させていただきます。
・お問合せ商品は、後日当社からご連絡します。
・小数点以下切り上げです。
※箱単価=1本当たりの価格です。

▲ページのトップに戻る